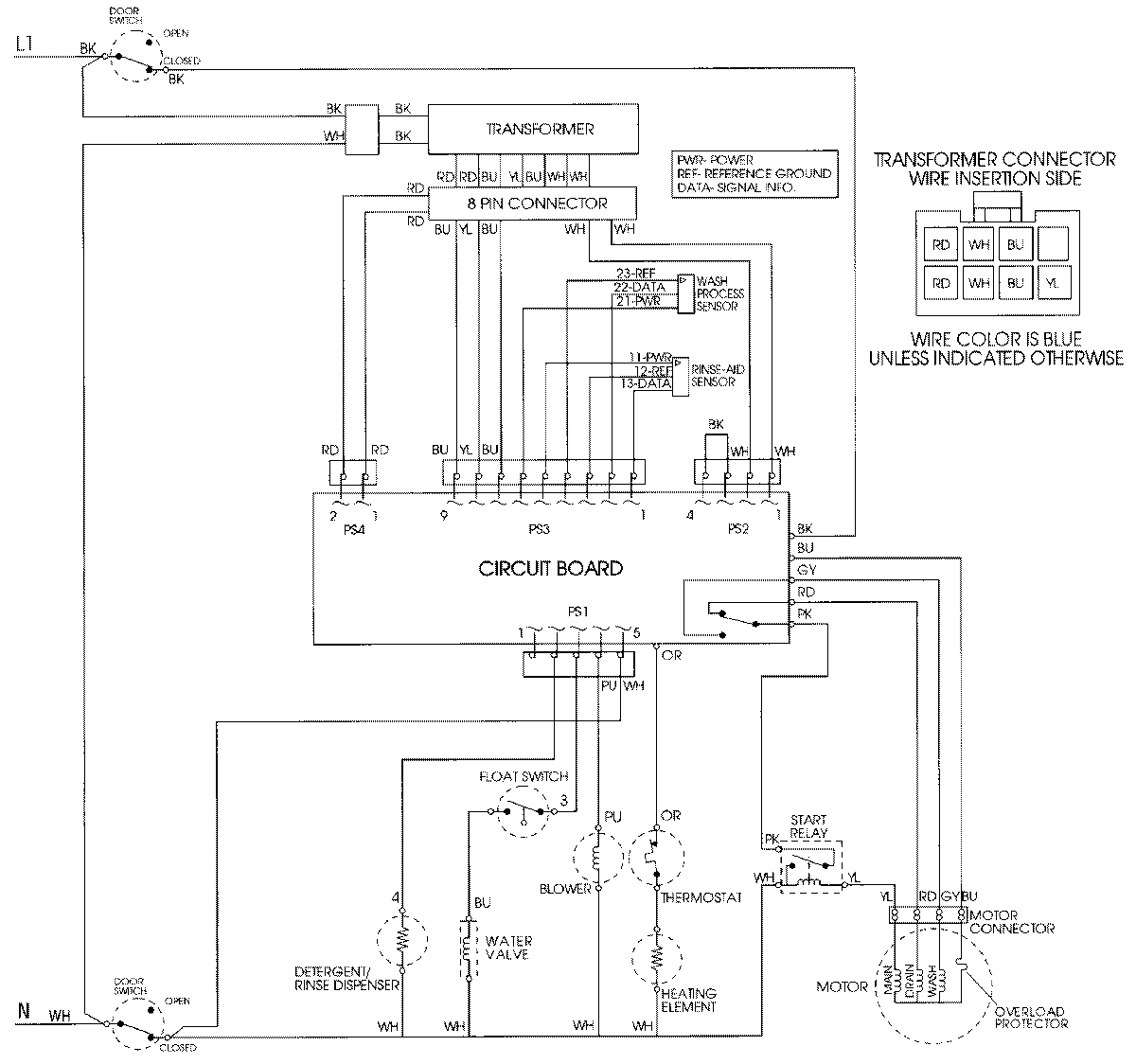
DWU9962AAB 09 – WIRING INFORMATIONadmin2025-04-26T08:44:57+00:00DWU9962AAB 09 – WIRING INFORMATION ProductsPositionProductNIMAY 15001839