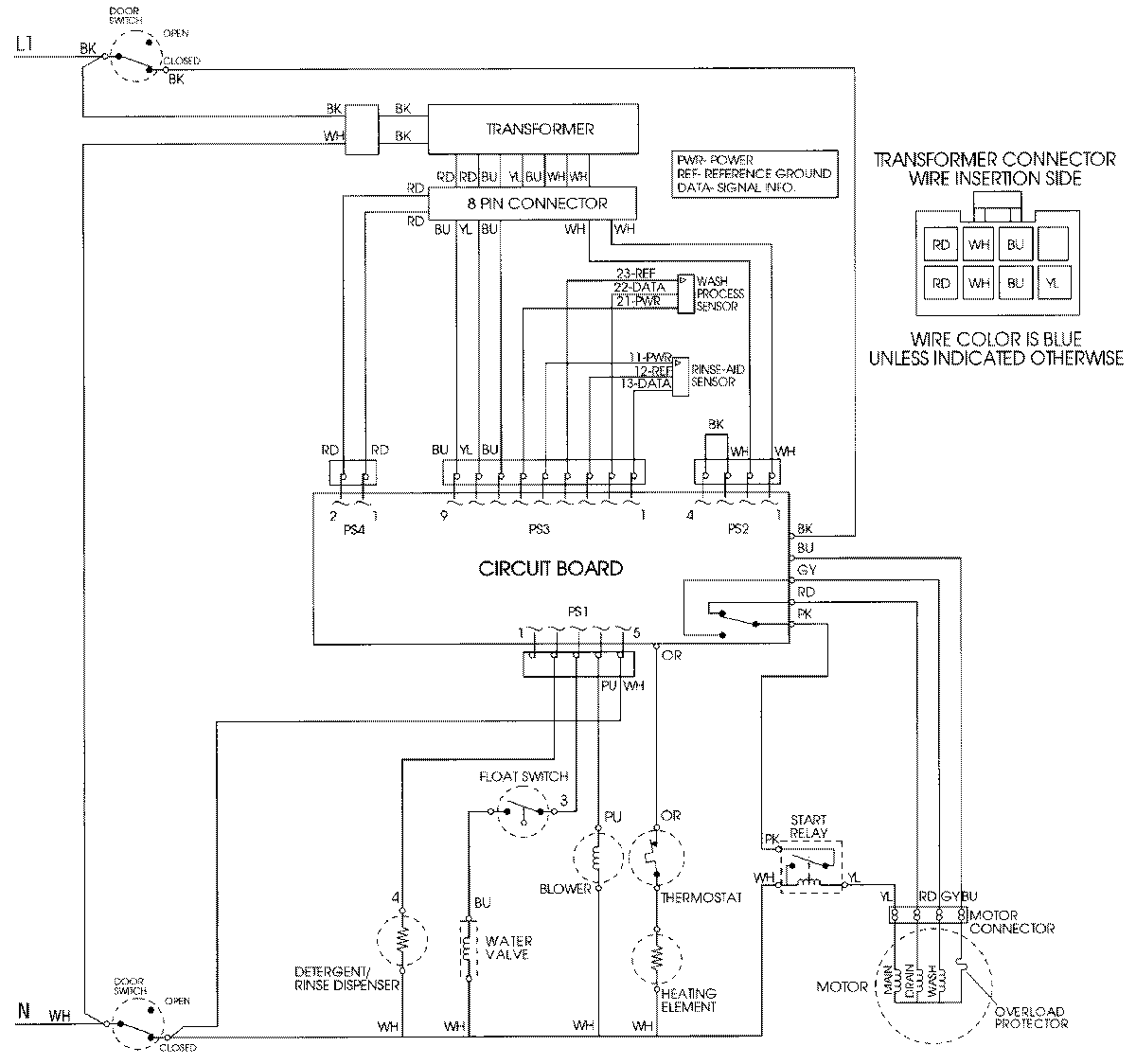
DWU9962AAE 09 – WIRING INFORMATIONadmin2025-04-26T08:45:15+00:00DWU9962AAE 09 – WIRING INFORMATION ProductsPositionProductNIMAY 15001839