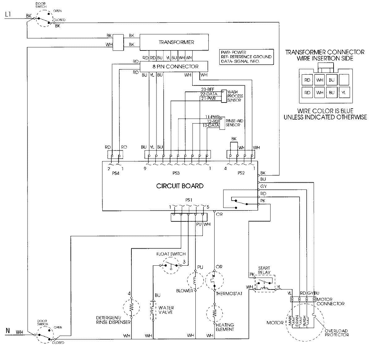
DWU9962AAM 09 – WIRING INFORMATIONadmin2025-04-26T08:44:48+00:00DWU9962AAM 09 – WIRING INFORMATION ProductsPositionProductNIMAY 15001839