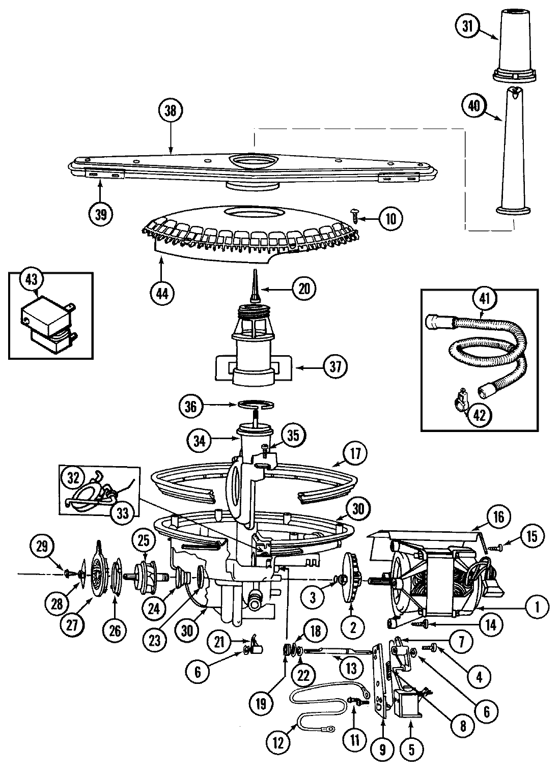
DWUA300AAX 03 – PUMP & MOTOR