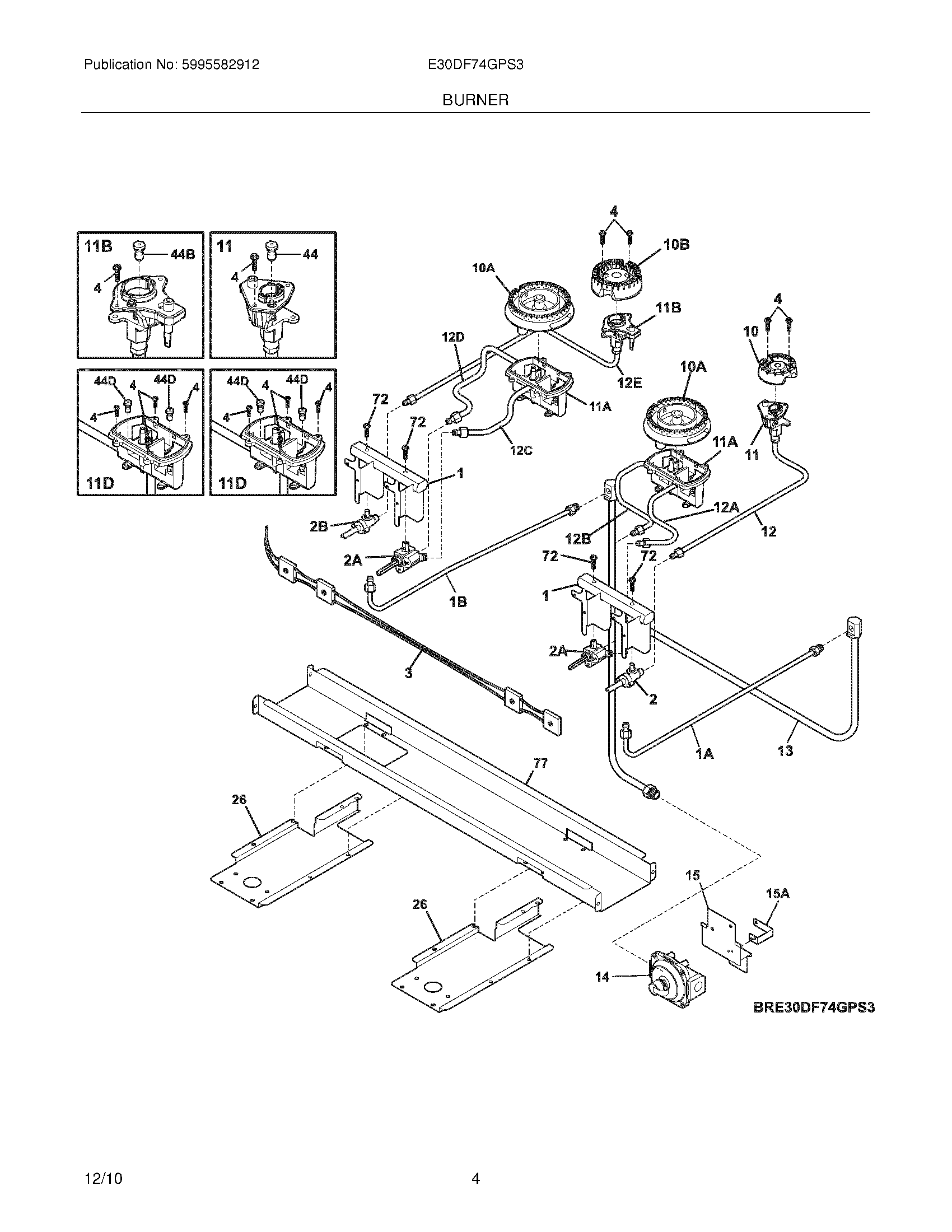
| NI | 5303323277 Frigidaire Oven Screw |
| NI | WCI 318199778 |
| NI | WCI 318186925 |
| NI | 5304480396 Frigidaire Screw |
| NI | 5304453707 Frigidaire Oven Screw |
| 1 | WCI 318357801 |
| 1B | 318305404 Frigidaire Tube |
| 1A | TUBE, MANIFOLD, LH, INTERCONNECT |
| 2B | WCI 316520703 |
| 2 | WCI 316520700 |
| 2A | 316574900 Frigidaire Oven Valve |
| 3 | 318232634 Frigidaire Wiring Harness |
| 4 | 316240600 Frigidaire Igniter Mounting Screw |
| 10 | 316438200 Frigidaire Range Sealed Burner, 5K |
| 10D | WCI 316525401 |
| 10B | 316438600 Frigidaire Range Sealed Burner, 14K |
| 11D | WCI 316525103 |
| 11B | 316543204 Frigidaire Igniter/Orifice Assembly |
| 11 | 316540800 Frigidaire Igniter/Orifice Assembly |
| 12A | WCI 318366731 |
| 12D | WCI 318366730 |
| 12B | WCI 318366732 |
| 12E | WCI 318366728 |
| 12 | 318366727 Frigidaire Tube |
| 12C | WCI 318366729 |
| 13 | WCI 318360601 |
| 14 | WCI 318122708 |
| 15A | WCI 318376200 |
| 15 | WCI 318376102 |
| 26 | WCI 318363803 |
| 44 | 316527504 Frigidaire Oven Orifice |
| 44D | WCI 316523509 |
| 44D | WCI 316523512 |
| 44B | 316527511 Frigidaire Oven Orifice |
| 72 | 316215600 Frigidaire Oven Screw |
| 77 | 318355502 Frigidaire Oven Bracket |