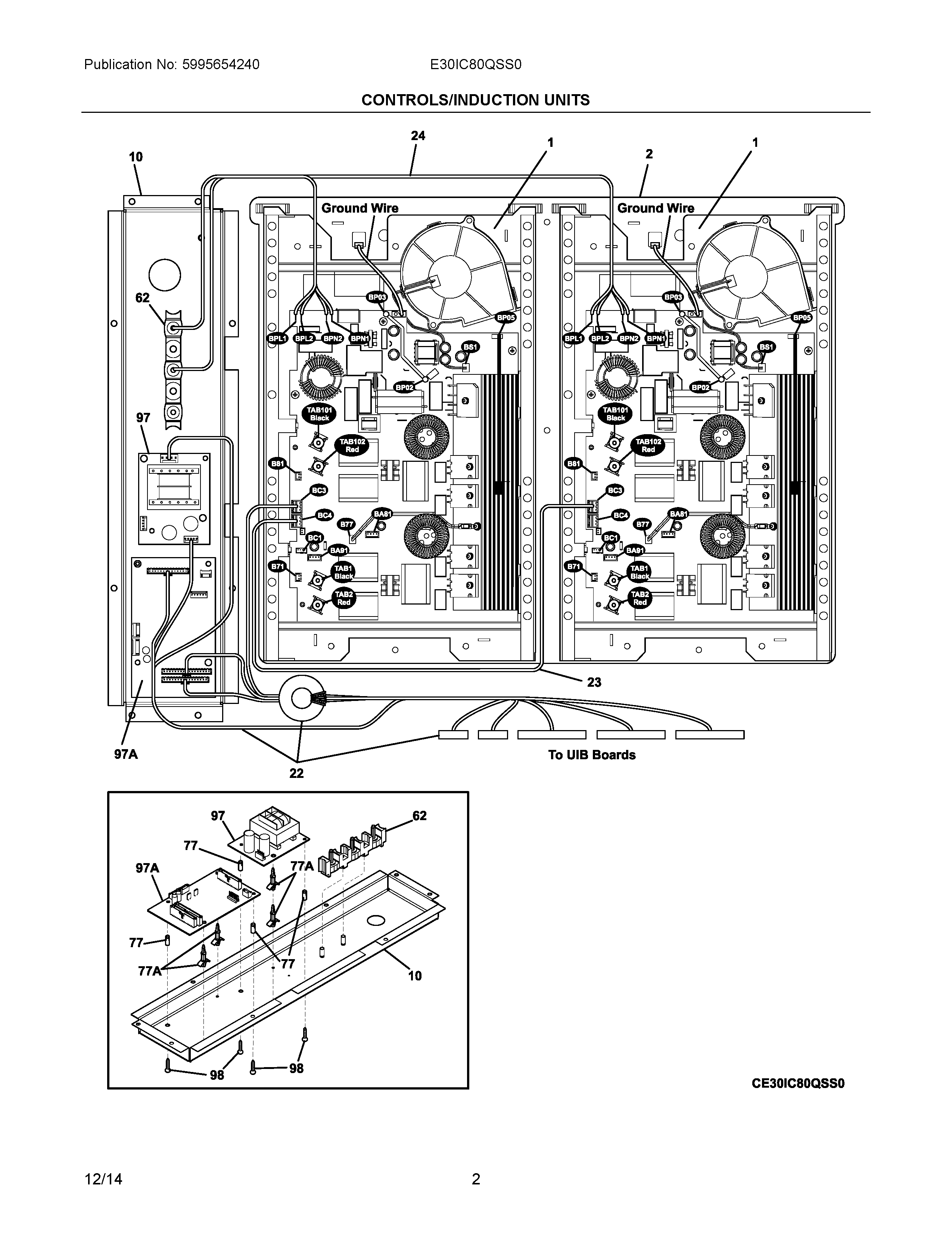
E30IC80QSS0 02 – CONTROLS/INDUCTION UNITSadmin2025-04-26T08:51:32+00:00E30IC80QSS0 02 – CONTROLS/INDUCTION UNITS ProductsPositionProductNIWCI 5304499608NIBSCREW, 6-32 X 3/8", (4)NIWCI 5304400192NI5304462994 Frigidaire Oven ScrewNIC305452800 Frigidaire ScrewNIANUT, TERMINAL BLOCK, (2)1903160-9010 Frigidaire Generator and Harness2WCI 530449960410WCI 530449960522WCI 530449960623318578332 Frigidaire Oven Harness24WCI 5304499607625304409888 Frigidaire Oven Terminal Block with Hardware77316247900 Frigidaire Oven Spacer77A316114100 Frigidaire Oven Spacer97AWCI 31657833297316435703 Frigidaire Oven Board98SCREW, M4