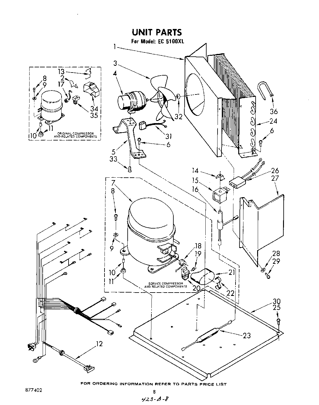
| 1 | Shroud, Condenser |
| 2 | Clip (Used W/Original Compressor) |
| 3 | 978655 Whirlpool Refrigerator Fan Blade |
| 4 | Motor, Fan |
| 5 | Bracket, Fan Motor |
| 6 | Screw, 1/4-20 x 1/2 |
| 7 | Compressor, Service (Complete Assembly) |
| 8 | Screw, 5/16-18 x 1-1/4 (4) |
| 9 | Washer, Flat (4) |
| 10 | Sleeve (4) |
| 11 | Grommet (4) |
| 12 | WPL 756657 |
| 13 | Clamp (Used W/Original Compressor) |
| 14 | Retainer, Solenoid Coil |
| 15 | Coil, Solenoid |
| 16 | Valve, Solenoid Coil |
| 17 | WPL 753505 |
| 18 | Overload |
| 19 | Spring, Overload |
| 20 | Relay, Start |
| 21 | Cover, Terminal |
| 22 | Cover, Spring |
| 23 | W10843121 Whirlpool Refrigerator Tube |
| 24 | Condenser |
| 25 | Screw, No.10-32 x 3/8 |
| 26 | Harness, Wiring (Solenoid Coil) |
| 27 | Deflector, Front |
| 28 | Washer |
| 29 | WP90767 Whirlpool Screw |
| 30 | Base, Unit |
| 31 | Harness, Wiring (Fan Motor) |
| 32 | Nut, Hex 1/4-20 |
| 33 | Screw, 8-36 x 1/2 (Included With Fan Motor) |
| 34 | Cover, Relay & Overload Assembly (Used W/Original Compressor) |
| 35 | Relay (Used W/Original Compressor) |
| 36 | Accumulator |