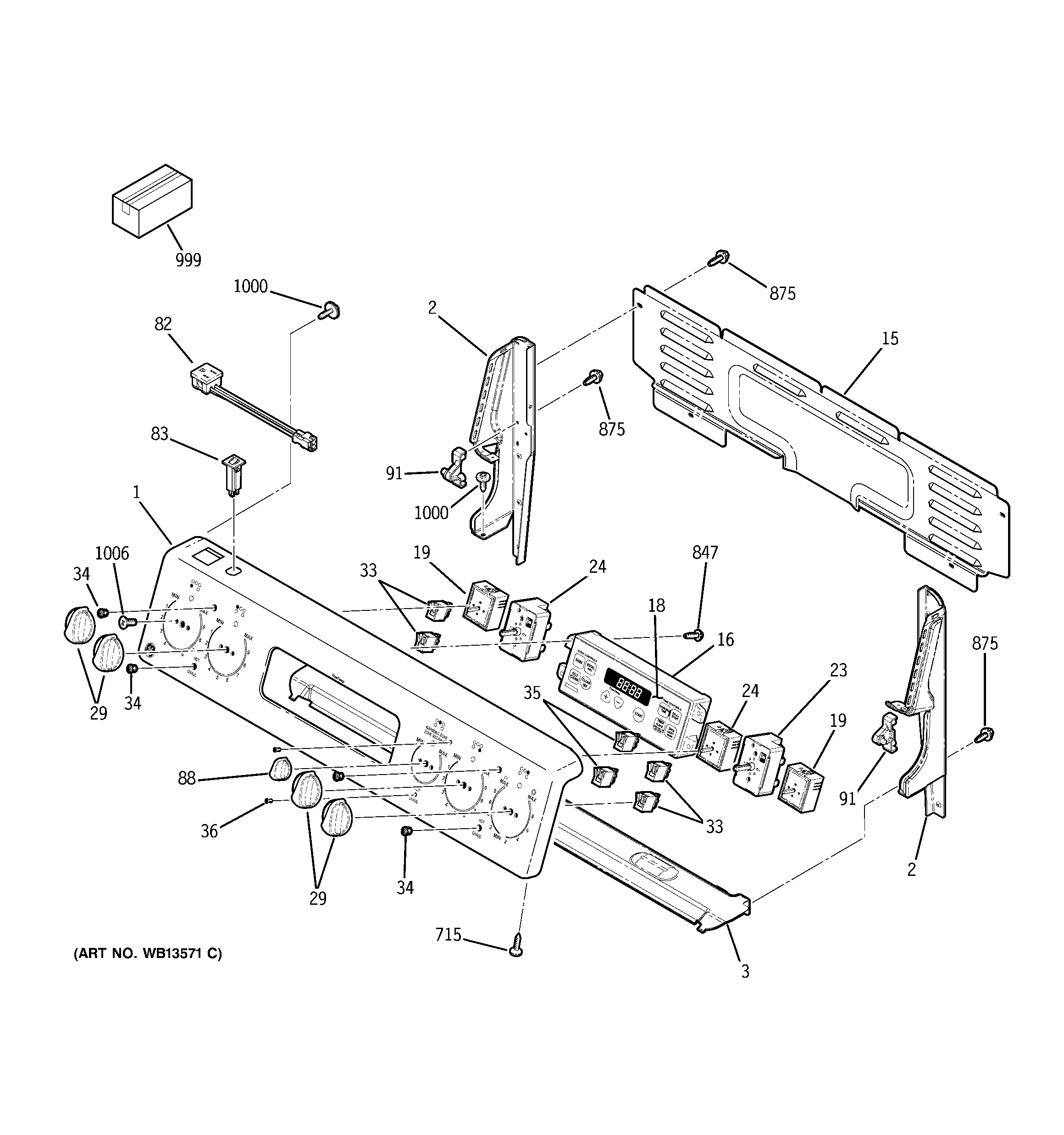
ECBP82BJ3BB CONTROL PANELadmin2025-04-26T08:35:10+00:00ECBP82BJ3BB CONTROL PANEL ProductsPositionProduct1GEN WB36T107782END CAP LEFT/BLACK2GEN WB36T102543GEN WB02T1002215GEN WB34T1008816GEN WB27T1047318GEN WB27T1063819WB24T10153 GE Oven Infinite Switch Control23WB24T10029 GE Oven Infinite Burner Switch24INFINITE CONTROL SWITCH29GEN WB03T1020333GEN WB27T1062834WB25T10041 GE Oven Lens35WB25T10040 GE Oven Light Indicator36LENS82GEN WB08T1003283BREAKER RECEPTACLE88GEN WB03T1020491GEN WB10T10002715WD2X432 GE Dishwasher Screw847WB1X1118 GE Oven Screw 6-32T875WH2X930 GE Screw875WZ4X245D GE Screw Package999GEN 31-10482999INSTR INSTALL OVN DOOR999GEN 31-10614999PM10X310 GE Cerama Bryte Cooktop Cleaner999GEN 49-80306999GEN 31-14283999GEN 31-14327999GEN 49-802531000WB01T10016 GE Oven Screw 8-18 AB Hex1006WB01X23501 GE Oven Screw 8-32 Tapping Flat Head