| WP489069 Whirlpool Compactor Screw |
| Accessory Bag, Outside Parts |
| WP2196157 Whirlpool Fill Tube |
| Clamp Tube |
| WPW10141625 Whirlpool Refrigerator Screw Assembly |
| Tube, Inlet Valve |
| WP2187501 Whirlpool Refrigerator Wire Harness |
| Parts L |
| Tube, Water Inlet |
| Nut, Valve |
| xxAccessory Bag, Inside |
| 549193 Whirlpool Refrigerator Power Clamp |
| WP488366 Whirlpool Refrigerator Clamp |
| WP2158826 Whirlpool Refrigerator Dampener |
| Instruction Booklet |
| WP488878 Whirlpool Refrigerator Tube Clamp |
| 4387491 Whirlpool Refrigerator Insert |
| WP16123 Whirlpool Washer |
| W10823511 Whirlpool Refrigerator Water Tube |
| WP627018 Whirlpool Refrigerator Nut |
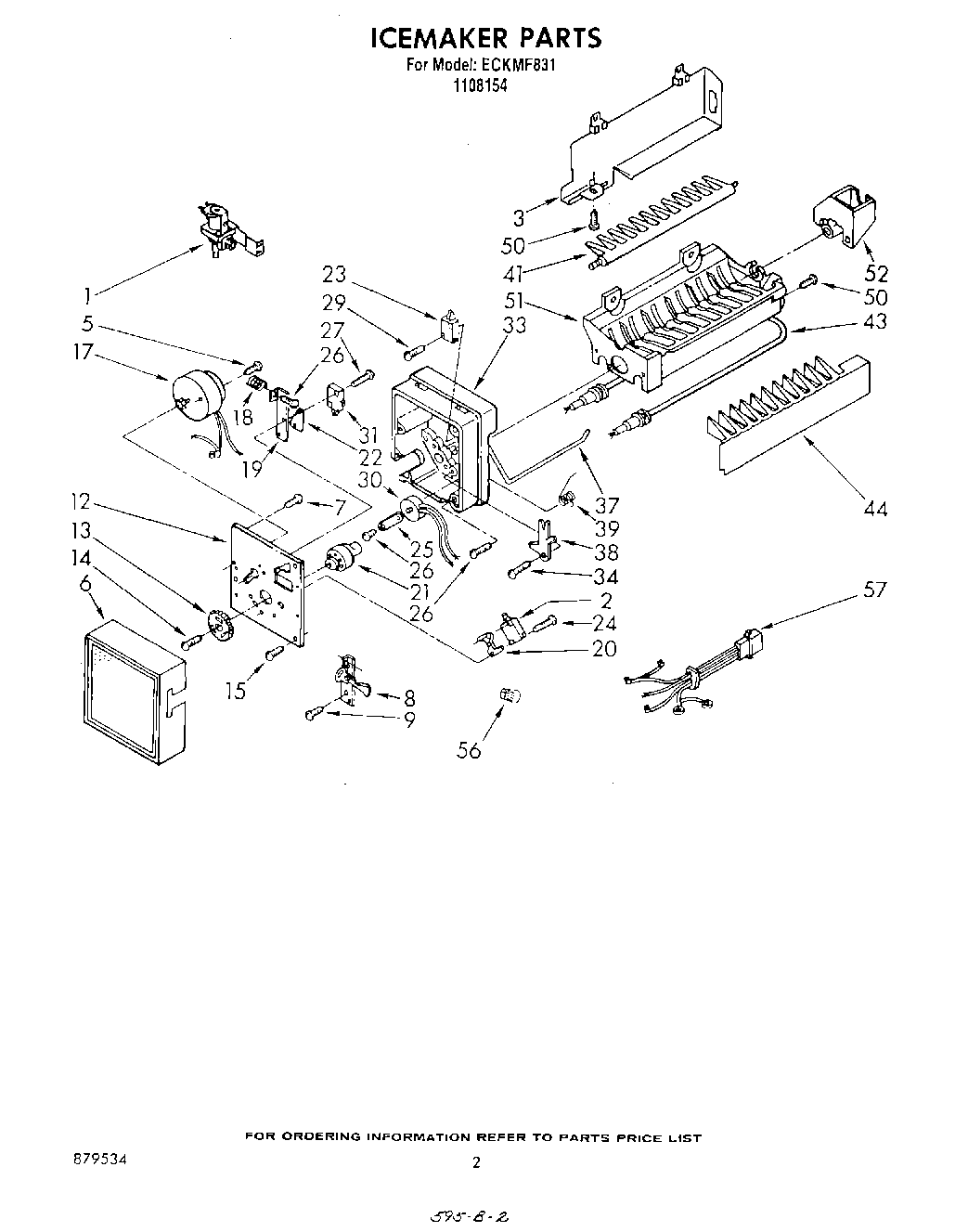
| 1 | 4318047 Whirlpool Water Valve |
| 2 | Switch, S.P.D.T. |
| 3 | Shield, Heat |
| 6 | Cover |
| 7 | Screw, Ground |
| 8 | Lever & Plate Assembly |
| 9 | Screw (Use W/Motor 627106) |
| 12 | Plate, Mounting |
| 13 | Gear |
| 14 | Screw |
| 15 | WP488787 Whirlpool Refrigerator Screw |
| 17 | Motor |
| 18 | Spring |
| 19 | Plate, Valve Switch |
| 20 | Spacer, Switch (2) |
| 21 | Cam |
| 22 | Insulator |
| 23 | Switch, S.P.D.T. (2) |
| 24 | Screw, 4-40 x 1 |
| 25 | Clamp, Thermostat |
| 26 | Screw, 8-32 x 1 |
| 27 | Screw |
| 29 | Screw, 4-24 x 3/4 |
| 30 | Thermostat |
| 31 | Switch, S.P.S.T. |
| 33 | Support |
| 34 | Screw, Shoulder |
| 37 | Arm, Shut-Off |
| 38 | Lever, Arm |
| 39 | Spring, Shut-Off Arm |
| 41 | Ejector |
| 43 | Heater, Mold |
| 44 | Stripper, Ice |
| 50 | WP489128 Whirlpool Refrigerator Screw |
| 51 | Mold & Heater Assembly (Includes Illus. 15) |
| 52 | Beraing & Inlet |
| 56 | Wire Connector |
| 57 | WPL 627750 |
| 57 | Trim, Ice Pan |
| 57 | PAN-ICE |