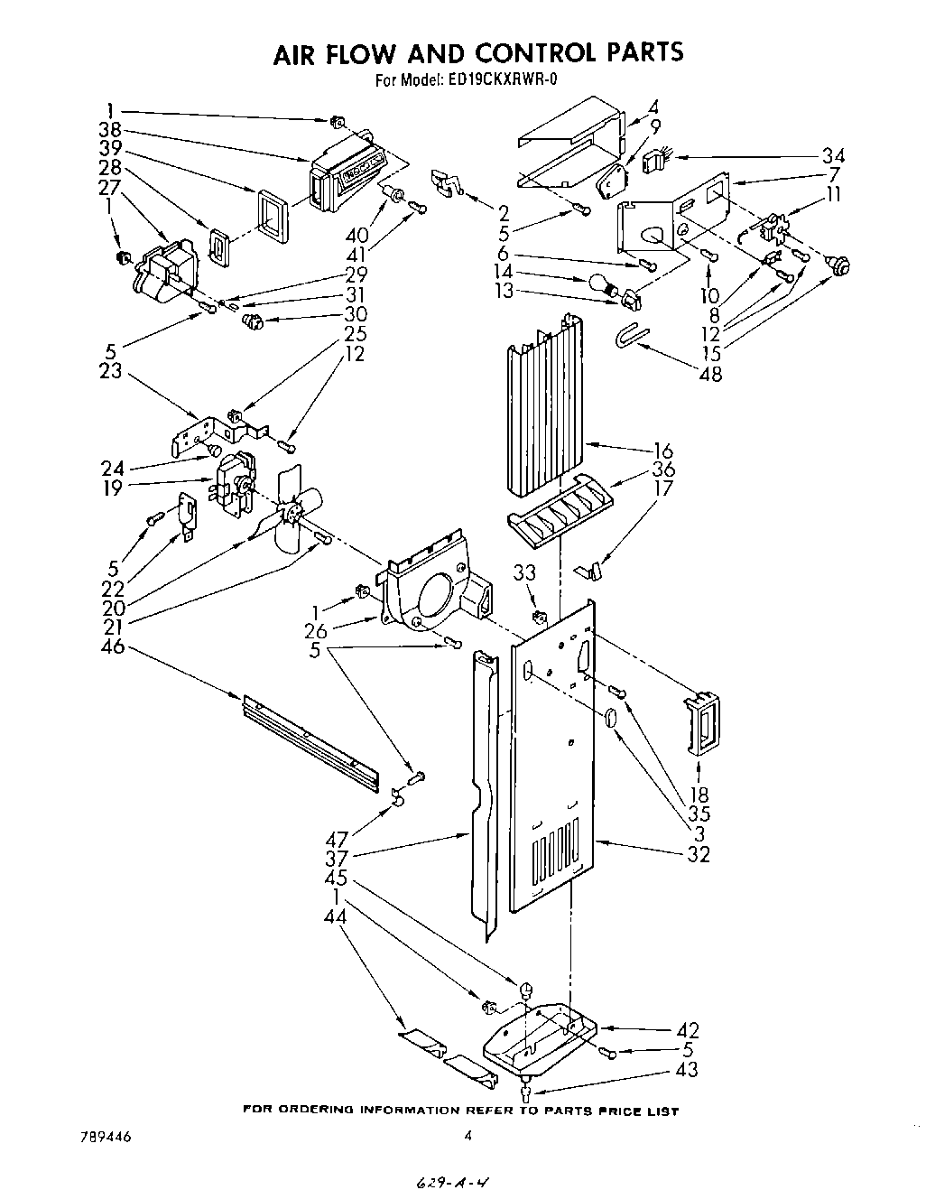
ED19CKXRWR0 03 – AIRFLOW AND CONTROLadmin2025-04-26T11:52:05+00:00ED19CKXRWR0 03 – AIRFLOW AND CONTROL
Products
| Position | Product |
|---|
| 1 | Grommet |
| 2 | 2215823 Whirlpool Refrigerator Clip |
| 3 | Hole Plug, Evaporator |
| 4 | Box, Control |
| 5 | W11624204 Whirlpool Screw |
| 6 | Screw, 8-32 x 3/8 |
| 7 | Control Box Front |
| 8 | WP938213 Whirlpool Refrigerator Power Switch |
| 9 | Defrost Timer |
| 10 | WP3388228 Whirlpool Screw |
| 11 | WP4317800 Whirlpool Refrigerator Thermostat |
| 12 | WP489128 Whirlpool Refrigerator Screw |
| 13 | 4387478 Whirlpool Refrigerator Light Socket |
| 14 | RANGE ONLY 40W 120V APPL BULB |
| 15 | Knob, Temperature Control |
| 16 | Duct, Air |
| 17 | Baffle, Air |
| 18 | Grille, Freezer |
| 19 | 482469 Whirlpool Refrigerator Evaporator Fan Motor Kit |
| 20 | Blade, Fan |
| 21 | WP487887 Whirlpool Refrigerator Screw |
| 22 | Fan, Bracket Double |
| 23 | Bracket, Fan Mounting (Single) |
| 24 | Grommet (3) |
| 25 | Screw Grommet |
| 26 | Scroll Fan |
| 27 | Air Scoop Assembly |
| 28 | Gasket, Air Scoop |
| 29 | Retainer, Damper |
| 30 | Control Knob |
| 31 | Knob, Retainer |
| 32 | Cover, Evaporator |
| 33 | Grommet |
| 34 | Liner Wiring (Defrost Timer) |
| 35 | WP488729 Whirlpool Refrigerator Door Screw |
| 36 | End Cap, Evaporator |
| 37 | Gasket (2) |
| 38 | Air Diffuser Assembly |
| 39 | Gasket, Air Diffuser |
| 40 | 836667 Whirlpool Refrigerator Spacer |
| 41 | Screw, 8 x 1-1/4 (3) |
| 42 | Drain Pan |
| 43 | Fitting, Drain Pan |
| 44 | Gasket, Drain Pan |
| 45 | Cap, Drain |
| 46 | Cover, Exchanger |
| 47 | WPL 836077 |
| 48 | WP2196003 Whirlpool Refrigerator Bar Riser |