| WPL LIT1109131 |
| WPL LIT1108163 |
| WPL LIT1108767 |
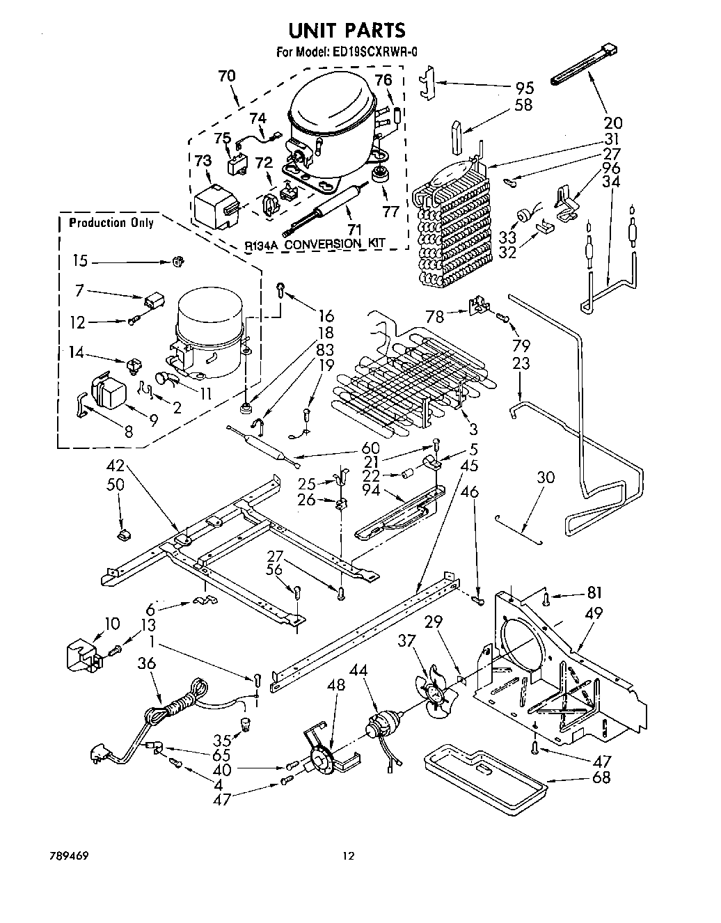
| WPL LIT789469 |
| 1 | Screw, 8-32 x 3/8 |
| 2 | Spring, Overload |
| 3 | Condenser & Precooler |
| 5 | Clamp Tube |
| 6 | Clip (2) |
| 7 | WPW10662129 Whirlpool Refrigerator Run Capacitor |
| 8 | case spring |
| 9 | Case, Relay |
| 10 | WPL 549947 |
| 11 | Overload |
| 12 | W11693756 Whirlpool Screw Assembly |
| 13 | WP488729 Whirlpool Refrigerator Door Screw |
| 14 | Relay |
| 15 | Screw Grommet |
| 18 | 876811 Whirlpool Grommet |
| 19 | 303776 Whirlpool Dishwasher Screw |
| 20 | Strap |
| 21 | WPW10141625 Whirlpool Refrigerator Screw Assembly |
| 22 | Dampener (2) |
| 23 | Exchanger, Heat |
| 25 | Clamp (4) |
| 26 | Grommet (4) |
| 27 | W11624204 Whirlpool Screw |
| 29 | WP486692 Whirlpool Refrigerator Nut |
| 30 | Guard, Fan |
| 31 | Evaporator |
| 32 | Clamp |
| 33 | WP4387489 Whirlpool Refrigerator Bi-Metal Defrost Thermostat |
| 34 | WP549433 Whirlpool Refrigerator Heater |
| 35 | Wire Connector |
| 36 | Cord, Service |
| 37 | Fan, Blade |
| 40 | Screw, 8-36 x 3/8 (3) |
| 42 | Frame |
| 44 | 833697 Whirlpool Condenser Fan Motor |
| 45 | Rail, Front |
| 46 | 489340 Whirlpool Refrigerator Screw |
| 47 | Screw, 8 x 3/8 |
| 48 | Bracket, Motor |
| 49 | Baffle |
| 50 | Clip, Wire (2) |
| 56 | Screw, 1/4-28 x 1/2 (2) |
| 58 | Air Baffle, Evaporator |
| 65 | 549193 Whirlpool Refrigerator Power Clamp |
| 68 | WPL 842041 |
| 70 | 876765 Whirlpool Primary Mounting Kit Refrigerator |
| 70 | Compressor (Includes Items 71, 72, 73, 74, 75, 76, & 77) (Also Order |
| 71 | W10843121 Whirlpool Refrigerator Tube |
| 72 | OVERLOAD |
| 73 | WP2162358 Whirlpool Refrigerator Terminal Cover |
| 74 | WP2172890 Whirlpool Refrigerator Wire |
| 75 | WP4387764 Whirlpool Run Capacitor |
| 76 | Sleeve (4) (Service Only) |
| 77 | WP4387558 Whirlpool Refrigerator Compressor Grommet |
| 78 | Support, Evaporator |
| 79 | SCREW |
| 81 | Screw, 8-32 x 1/2 |
| 83 | Clamp |
| 94 | Pan, Drip |
| 95 | Shield, Heat (2) |
| 96 | Transformer (115-230 Volt) |
| 96 | Toast |
| 96 | 799344 Whirlpool Refrigerator Paint |
| 96 | Paint, Spray (13 Oz.) (Platinum) |
| 96 | Enamal, Toast (1 Qt. Uncut) |
| 96 | 72017 Whirlpool Appliance Touch-Up Paint White |
| 96 | 350956 Whirlpool Spray Assembly |
| 96 | WP72107 Whirlpool Touchup |
| 96 | Leveler (Thinner) |
| 96 | Almond (Uncut) |
| 96 | Golden Harvest (Uncut) |
| 96 | Heater, Clamp (4) |
| 96 | Golden Harvest |
| 96 | VALVE, ACCESS (5/8``) |
| 96 | 350930 Whirlpool White Spray Paint |
| 96 | 72110 Whirlpool Dryer Touch-Up Paint, Golden Harvest 6 Oz |
| 96 | 72113 Whirlpool Touch-Up Paint |
| 96 | Platinum (Uncut) |
| 96 | paint, spray 13 oz. (coffee) |
| 96 | Paint, Touch-Up 1/2 Oz. (Coffee) |
| 96 | 72032 Whirlpool Touch Up Paint Black |
| 96 | 285006 Whirlpool Spray |
| 96 | WP542638 Whirlpool Refrigerator Grease |
| 96 | WPL 876029 |
| 96 | WPL 799833 |
| 96 | WPL 799832 |
| 96 | Enamel, Black (1 Qt. Uncut) |
| 96 | 978030 Whirlpool Refrigerator Valve |
| 96 | TAPE, VINYL (3/4 X 108``) |
| 96 | VALVE, ACCESS (1/2``) |
| 96 | 978027 Whirlpool Refrigerator Primary Valve |
| 96 | WP505587 Whirlpool Refrigerator Sealer |
| 96 | 978026 Whirlpool Refrigerator Primary Valve |
| 96 | Silicone (Spray) |
| 96 | WPL 72112 |
| 96 | 606755 Whirlpool Refrigerator Bag |
| 96 | 212643 Whirlpool Refrigerator Permagum Sealer |
| 96 | 350942 Whirlpool Spray Paint |
| 96 | CEMENT, ALUMILASTIC (1 1/4 OZ.) |
| 96 | 511873 Whirlpool Refrigerator Paint |
| 96 | Enamel, Coffee (1 Qt. Uncut) |
| 96 | 833938 Whirlpool Refrigerator Terminal |
| 96 | 876370 Whirlpool Refrigerator Insulation |
| 96 | WP503695 Whirlpool Refrigerator Sealer |
| 96 | 876764 Whirlpool Refrigerator Primary Valve |
| 96 | WP978025 Whirlpool Refrigerator Valve |