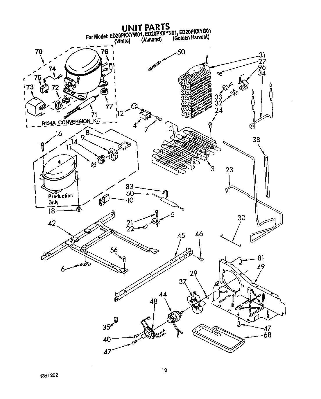
| 3 | Condenser |
| 4 | Running Capacitor (Service) |
| 5 | Clamp Tube |
| 6 | Clip (2) |
| 7 | W11693756 Whirlpool Screw Assembly |
| 8 | Strap |
| 9 | Cover |
| 10 | Housing Plug |
| 11 | Overload |
| 12 | Screw Grommet |
| 14 | WP2262181 Whirlpool Refrigerator Start Relay |
| 18 | 876811 Whirlpool Grommet |
| 21 | WPW10141625 Whirlpool Refrigerator Screw Assembly |
| 22 | Dampener (2) |
| 23 | Exchanger, Heat |
| 27 | WP489478 Whirlpool Refrigerator Screw |
| 29 | WP486692 Whirlpool Refrigerator Nut |
| 30 | 1105612 Whirlpool Fan Guard |
| 31 | Evaporator |
| 32 | Clamp |
| 33 | WP4387499 Whirlpool Refrigerator Bimetallic Defrost |
| 34 | Heater, Defrost |
| 35 | Wire Connector |
| 37 | Fan, Blade |
| 38 | WP2002171 Whirlpool Refrigerator Sleeve |
| 40 | 681390 Whirlpool Refrigerator Screw |
| 42 | Unit Mounting Frame |
| 44 | 833697 Whirlpool Condenser Fan Motor |
| 45 | Unit Mounting Rail |
| 46 | 489340 Whirlpool Refrigerator Screw |
| 47 | Screw, 8 x 3/8 |
| 48 | Bracket, Motor |
| 49 | Air, Baffle |
| 50 | Strap |
| 56 | WP489427 Whirlpool Refrigerator Screw |
| 60 | W10843121 Whirlpool Refrigerator Tube |
| 68 | WPW10614158 Whirlpool Refrigerator Evaporator Tray |
| 70 | 876765 Whirlpool Primary Mounting Kit Refrigerator |
| 70 | Compressor (Includes Items 71, 72, 73, 74, 75, 76, & 77) (Also Order |
| 72 | OVERLOAD |
| 73 | WP2162358 Whirlpool Refrigerator Terminal Cover |
| 74 | WP2172890 Whirlpool Refrigerator Wire |
| 75 | WP4387764 Whirlpool Run Capacitor |
| 76 | Sleeve (4) (Service Only) |
| 77 | WP4387558 Whirlpool Refrigerator Compressor Grommet |
| 81 | WP489464 Whirlpool Refrigerator Screw |
| 83 | Clamp, Dryer |
| 96 | VALVE, ACCESS (5/8``) |
| 96 | 876764 Whirlpool Refrigerator Primary Valve |
| 96 | 978026 Whirlpool Refrigerator Primary Valve |
| 96 | 978027 Whirlpool Refrigerator Primary Valve |
| 96 | 978030 Whirlpool Refrigerator Valve |
| 96 | WP978025 Whirlpool Refrigerator Valve |
| 96 | VALVE, ACCESS (1/2``) |
| 96 | Clamp (4) |