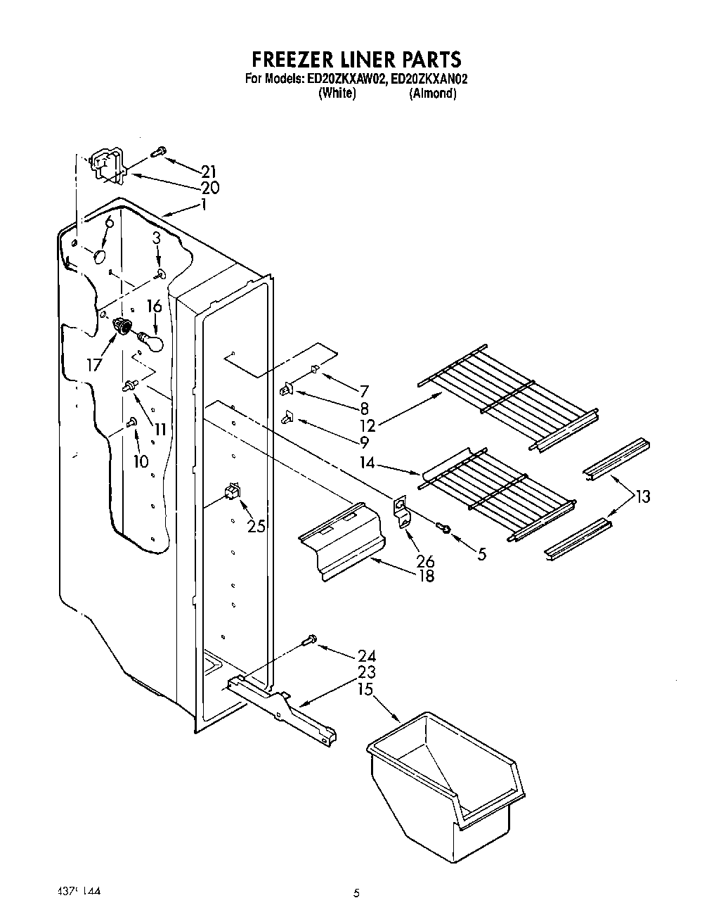
ED20ZKXAN02 03 – FREEZER LINERadmin2025-04-26T11:53:50+00:00ED20ZKXAN02 03 – FREEZER LINER ProductsPositionProduct1Liner (Not A Serviceable Part)3WP941839 Whirlpool Refrigerator Button Plug5WP489478 Whirlpool Refrigerator Screw6WPL 6554117Stud, Support8Stud, Front R.S.9Stud, Rear R.S.10Grommet (8)114388538 Whirlpool Refrigerator Stud Shelf Kit (White)12Shelf13Trim Shelf14Shelf (Small 1)14Shelf (3)15Bin, Freezer16RANGE ONLY 40W 120V APPL BULB17SOCKET18WP2155595 Whirlpool Refrigerator Light Lens20Cover, Wiring21WP488729 Whirlpool Refrigerator Door Screw23Slide, Basket (Left Side)23W10845583 Whirlpool Refrigerator Track24718257 Whirlpool Dishwasher Screw25W11384469 Whirlpool Door Switch26Clip, Support (2)