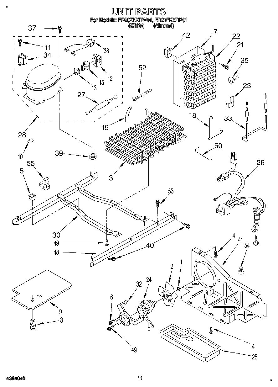
ED20ZKXDW01 07 – UNIT