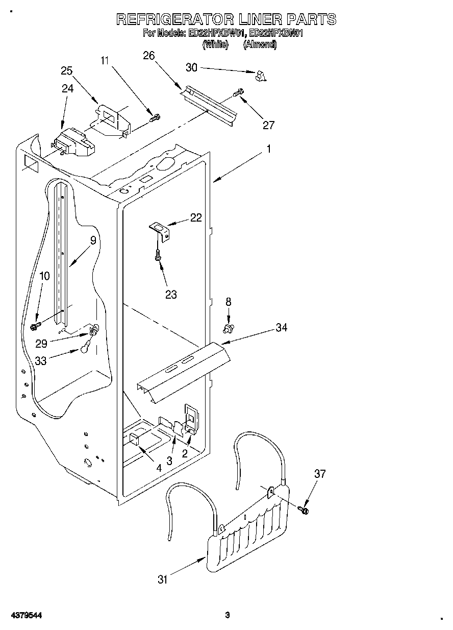
ED22HPXBN01 02 – REFRIGERATOR LINERadmin2025-04-26T11:33:33+00:00ED22HPXBN01 02 – REFRIGERATOR LINER ProductsPositionProduct1Liner (Not A Serviceable Part)2Escutcheon, Meat Pan Control3Slide, Meat Pan Control4Pad, Foam84388538 Whirlpool Refrigerator Stud Shelf Kit (White)9Ladder, Shelf10WP488729 Whirlpool Refrigerator Door Screw11WP489478 Whirlpool Refrigerator Screw22WP2256085 Whirlpool Refrigerator Retainer23WP488488 Whirlpool Refrigerator Screw24WPW10151374 Whirlpool Refrigerator Diffuser252152019 Whirlpool Refrigerator Cover262150331 Whirlpool Refrigerator Wire Cover27W10759522 Whirlpool Screw294387478 Whirlpool Refrigerator Light Socket302215823 Whirlpool Refrigerator Clip31WP2256126 Whirlpool Refrigerator Reservoir33RANGE ONLY 40W 120V APPL BULB34Light Lens37Screw (2)