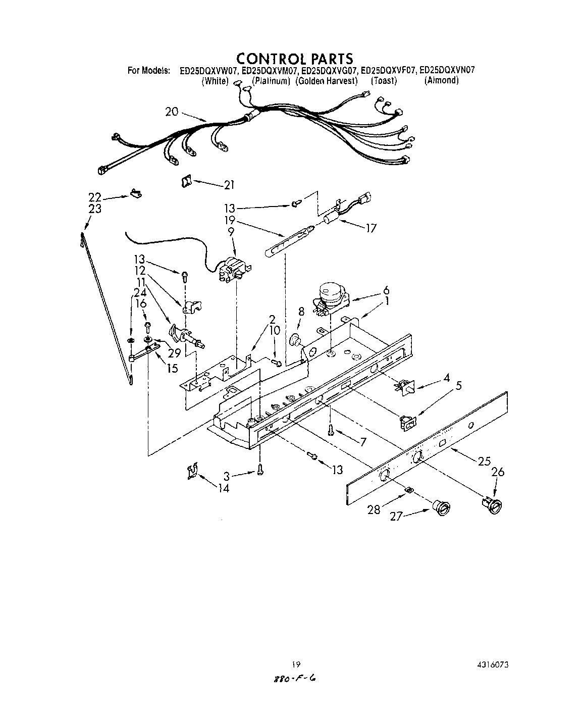
ED25DQXVF07 12 – CONTROL