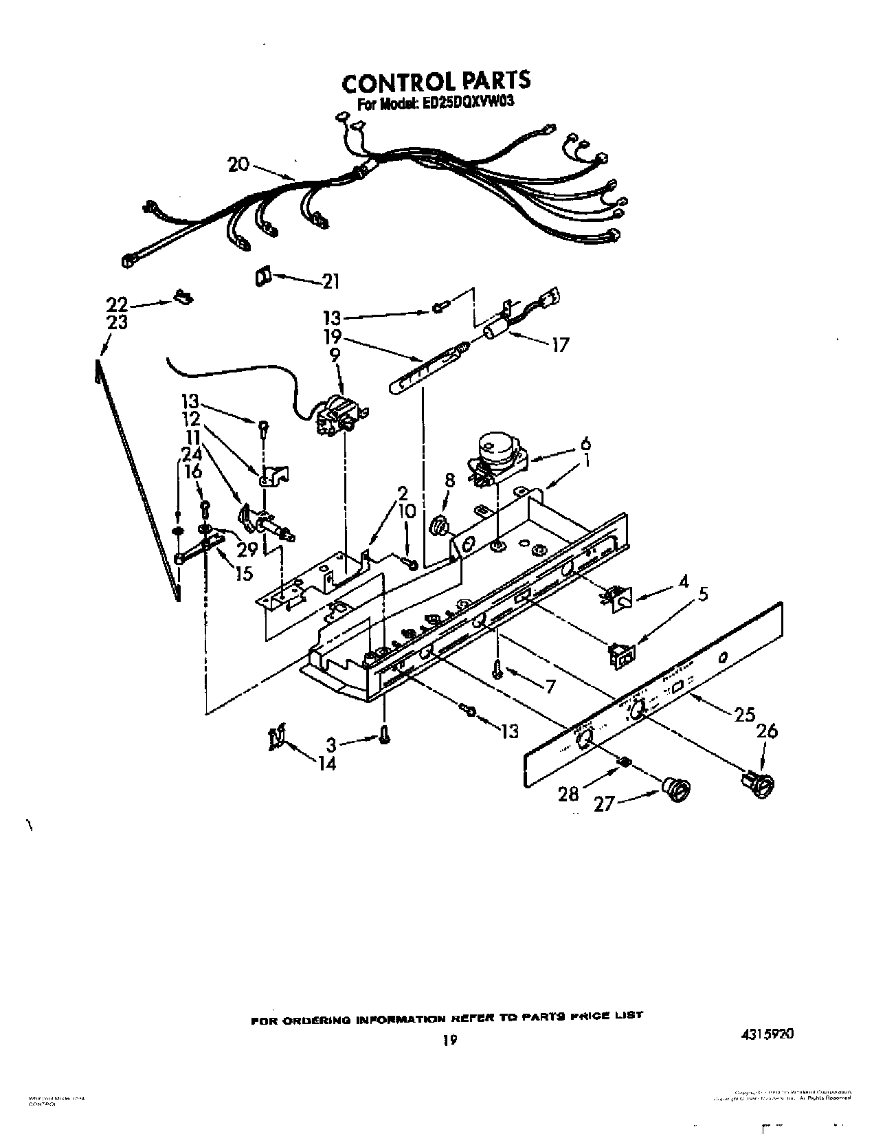
ED25DQXVG03 12 – CONTROL