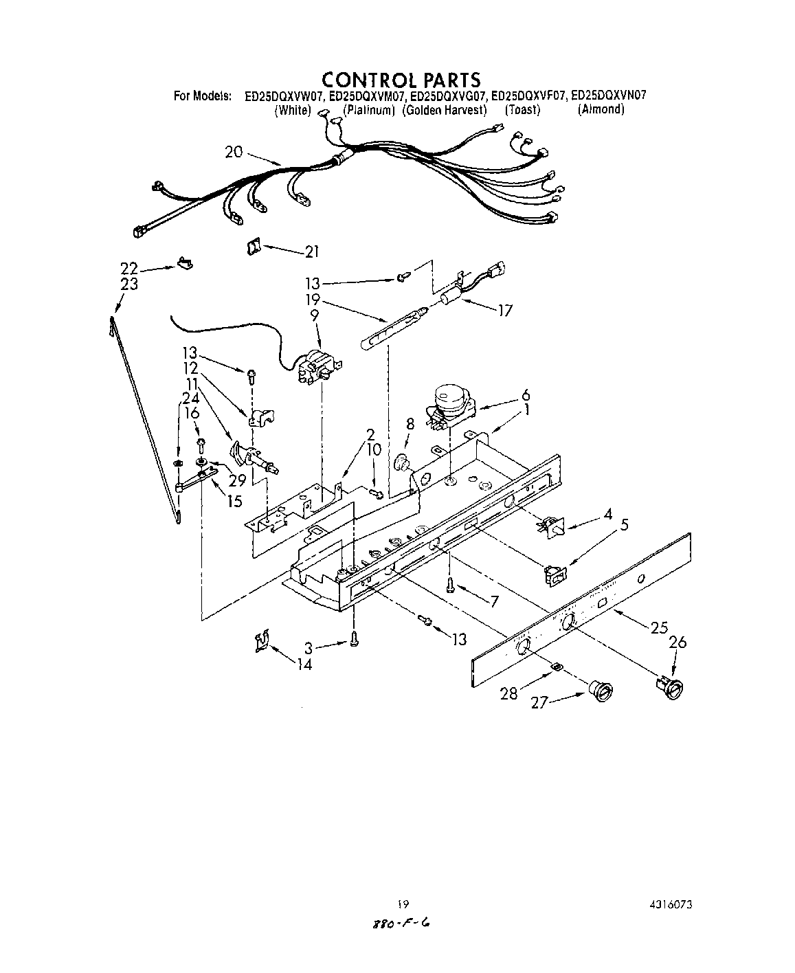
| 1 | Control Box |
| 2 | Mounting Bracket |
| 3 | Screw (2) |
| 4 | WP2149705 Whirlpool Refrigerator Door Switch |
| 5 | WP938213 Whirlpool Refrigerator Power Switch |
| 6 | Defrost Timer, (10 Hr.) |
| 7 | 489392 Whirlpool Refrigerator Screw |
| 8 | 940014 Whirlpool Refrigerator Primary Button Plug |
| 9 | WP2198202 Whirlpool Refrigerator Temperature Thermostat |
| 10 | WP965173 Whirlpool Dishwasher Screw |
| 11 | Cam Assembly |
| 12 | 1110560 Whirlpool Refrigerator Bearing |
| 13 | WP489478 Whirlpool Refrigerator Screw |
| 14 | Retainer, Damper |
| 15 | Pivot Arm |
| 16 | 627068 Whirlpool Refrigerator Screw |
| 17 | Light Socket |
| 19 | WP548049 Whirlpool Refrigerator Light Bulb |
| 20 | Control Box Harness |
| 21 | WP1115374 Whirlpool Refrigerator Clip |
| 22 | CLIP, WIRING |
| 23 | Connecting Rod |
| 24 | Fastener, Push-On |
| 25 | Escutcheon, Control Box |
| 26 | 2182111 Whirlpool Refrigerator Thermal Knob |
| 27 | Knob, Air Control |
| 28 | Knob, Retainer |
| 29 | 489203 Whirlpool Refrigerator Washer |