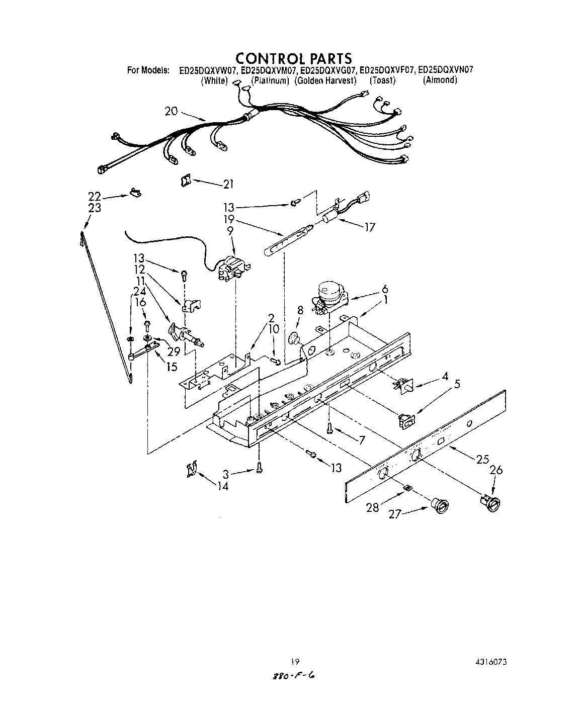
ED25DQXVN07 12 – CONTROL