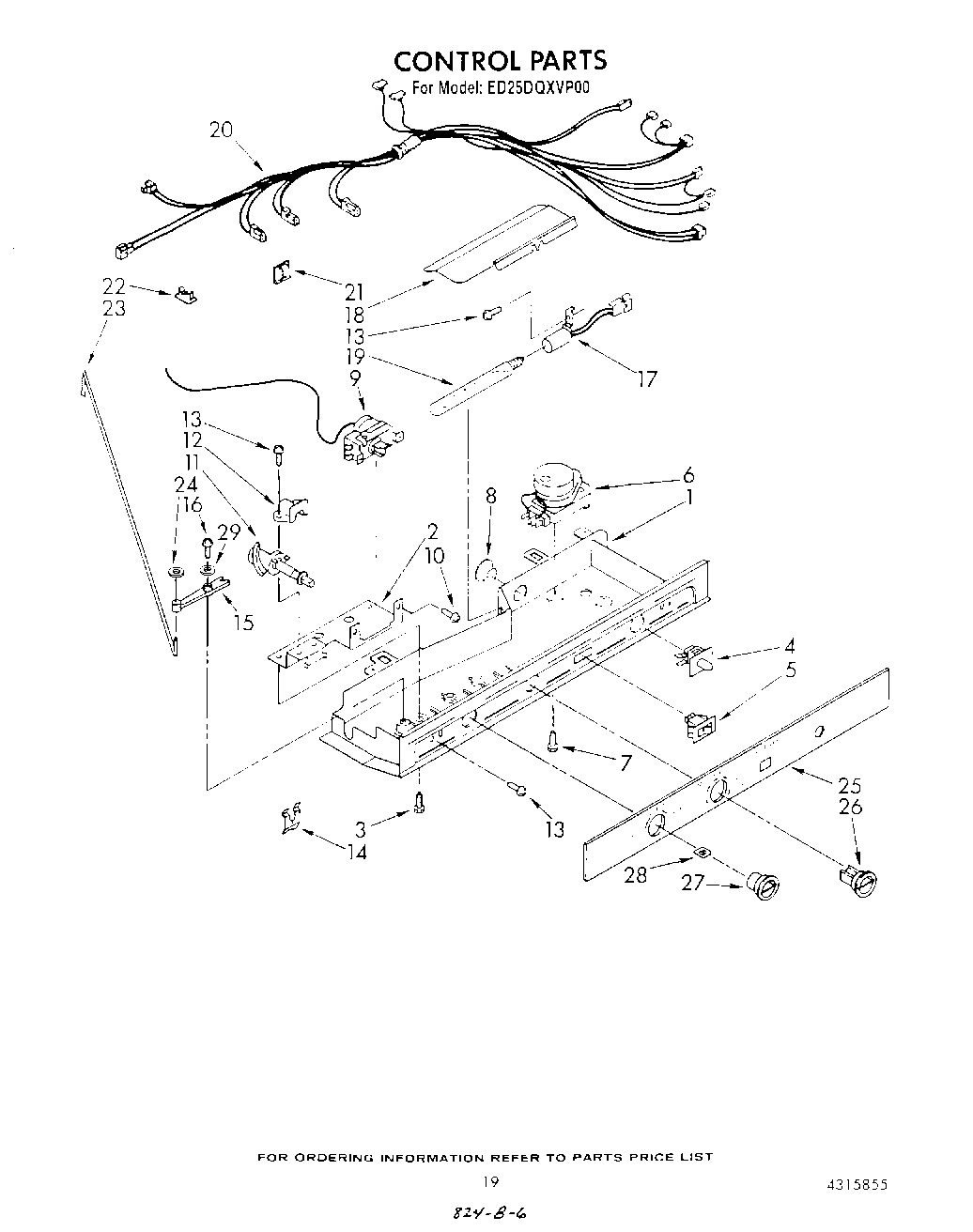
ED25DQXVP00 12 – CONTROL