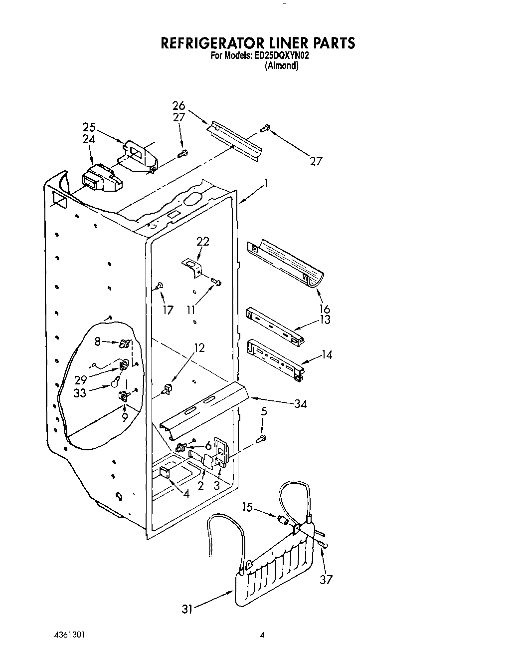
ED25DQXYN02 03 – REFRIGERATOR LINERadmin2025-04-26T09:49:52+00:00ED25DQXYN02 03 – REFRIGERATOR LINER ProductsPositionProduct1Liner (Not A Serviceable Part)2Escutcheon, Meat Pan Control3Slide, Meat Pan Control4Pad, Foam5Screw, 8-15 x 1/2 (4)6WP2149540 Whirlpool Shelf Support9Stud (2)11WP488488 Whirlpool Refrigerator Screw13Track, Shelf (Left Side (2))13Track, Shelf (Right Side (2))14WP1115265 Whirlpool Refrigerator Track14Track, Shelf (Right Side)154388538 Whirlpool Refrigerator Stud Shelf Kit (White)16Wine Rack17WP1114631 Whirlpool Refrigerator Shelf Support Stud22WP2256085 Whirlpool Refrigerator Retainer24WPW10151374 Whirlpool Refrigerator Diffuser252152019 Whirlpool Refrigerator Cover262150331 Whirlpool Refrigerator Wire Cover27W10759522 Whirlpool Screw294387478 Whirlpool Refrigerator Light Socket31WP2256126 Whirlpool Refrigerator Reservoir33RANGE ONLY 40W 120V APPL BULB34Light Lens37Screw (2)