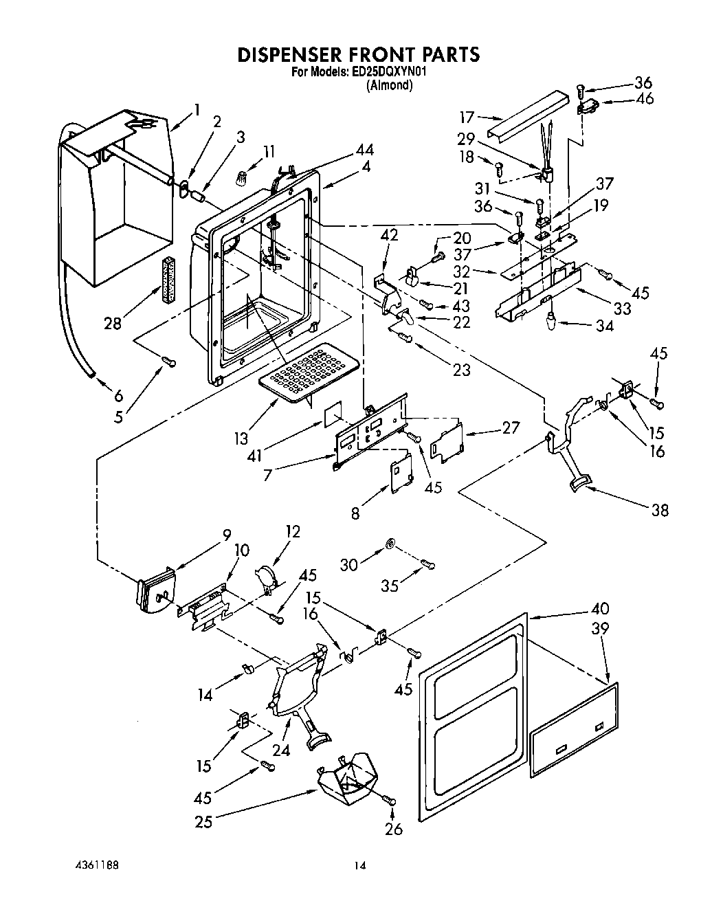
ED25DQXYW01 09 – DISPENSER FRONTadmin2025-04-26T09:47:59+00:00ED25DQXYW01 09 – DISPENSER FRONT
Products
| Position | Product |
|---|
| 1 | Heater, Dispenser |
| 2 | Grommet |
| 3 | 4387491 Whirlpool Refrigerator Insert |
| 4 | Housing, Dispenser |
| 5 | W11693756 Whirlpool Screw Assembly |
| 6 | W10823511 Whirlpool Refrigerator Water Tube |
| 7 | Frame, Slides |
| 8 | Slide, Cube/Crush Switch |
| 9 | Door, Ice |
| 10 | Door Mechanism Assembly (Includes Item 9) |
| 11 | Wire Connector |
| 12 | WP1120581 Whirlpool Refrigerator Mechanism |
| 13 | Grille, Overflow |
| 14 | Clip, Bearing (2) |
| 15 | Bearing, Lever (3) |
| 16 | Spring, Lever (2) |
| 17 | Shield, Wiring |
| 18 | WP489128 Whirlpool Refrigerator Screw |
| 19 | Spacer, Switch (2) |
| 20 | WP488787 Whirlpool Refrigerator Screw |
| 21 | WP488878 Whirlpool Refrigerator Tube Clamp |
| 22 | WP4388152 Whirlpool Refrigerator Fitting |
| 23 | WP965173 Whirlpool Dishwasher Screw |
| 24 | Lever Assembly, Ice Dispenser |
| 25 | Guide, Ice |
| 26 | Screw |
| 27 | Slide, Light Switch |
| 28 | Seal |
| 29 | Lamp Holder |
| 30 | Washer |
| 31 | Screw, 4-40 x 1 |
| 32 | Insulator, Control Bracket |
| 33 | Bracket, Control |
| 34 | WP22002263 Whirlpool Dryer 10W Light Bulb |
| 35 | Screw |
| 36 | Screw, |
| 37 | 814037 Whirlpool Microwave Switch |
| 38 | Lever Assembly, Water Dispenser |
| 39 | Plaque, Front Cover |
| 40 | Front Cover, Housing (Includes Item 39) |
| 41 | Heat Shield, Frame |
| 42 | Bracket, Water |
| 43 | Screw, 8-18 x 3/4 |
| 44 | Wiring Harness, Door |
| 45 | WP3400906 Whirlpool Refrigerator Screw |
| 46 | Switch |