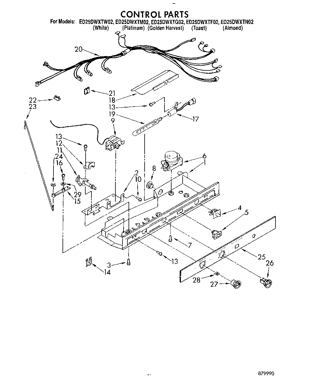
ED25DWXTF02 12 – CONTROL