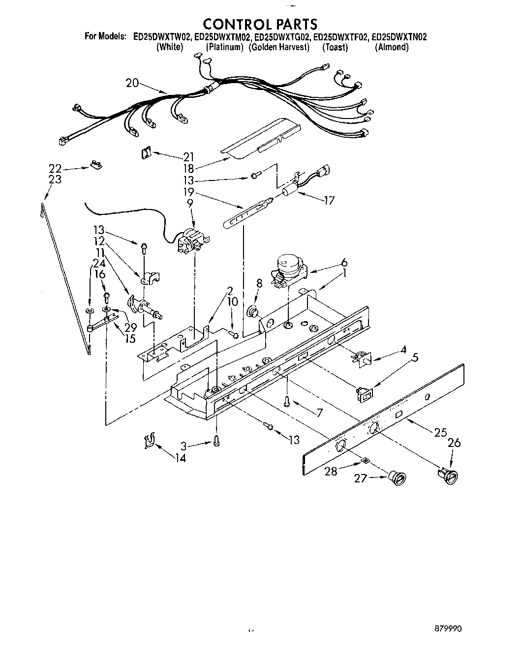
ED25DWXTG02 12 – CONTROL