ED25DWXVM00 02 – CABINET

ED25DWXVM00 02 – CABINET

Products

PositionProduct
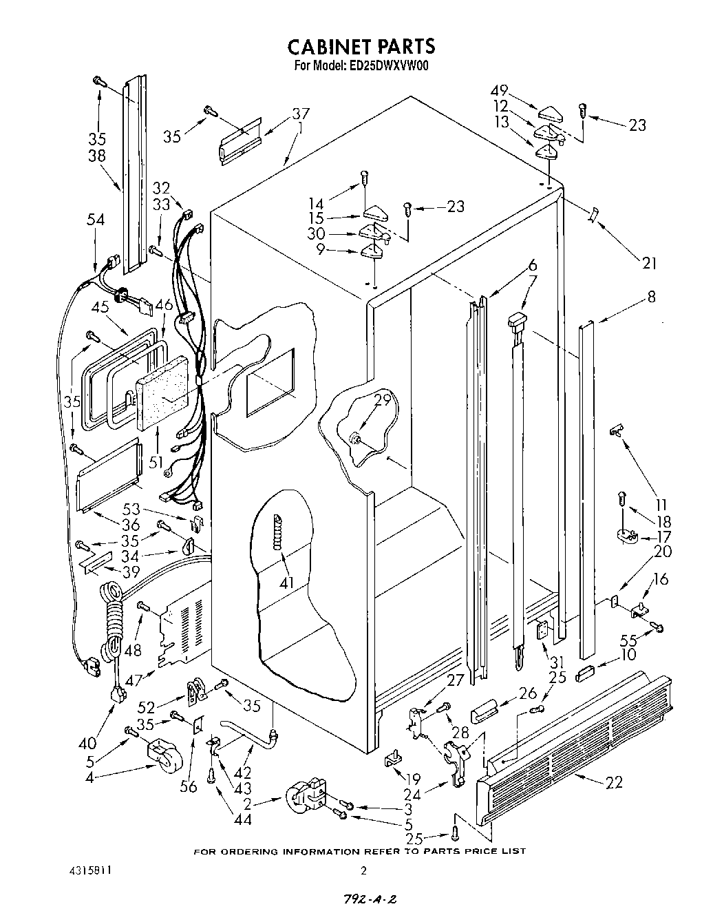
1Cabinet (Not A Serviceable Part)
2Roller, Front
3Screw, 5/16-24 x 1
4WPW10250570 Whirlpool Refrigerator Cabinet Roller
5Screw, 1/4-28 x 1/2 (2)
6Mullion Rail
7Heater Mullion
8Front Mullion Rail (Golden Harvest)
8Front Mullion Rail (Toast)
8Front Mullion Rail (Platinum)
8Front Mullion Rail (White)
8Front Mullion Rail (Almond)
9Shim, Hinge
10Filler Bottom Mullion (White)
10Filler Bottom Mullion (Platinum)
10Filler Bottom Mullion (Toast)
10Filler Bottom Mullion (Golden Harvest)
10Filler Bottom Mullion (Almond)
11Clip, Ground
12Hinge, Top
13Shim, Hinge Top
14Screw, 6-32 x 1/2
15Hinge Cover (Golden Harvest)
15Hinge Cover (Platinum)
15Hinge Cover (Toast)
15WP1129262 Whirlpool Refrigerator Cover
16Hinge, Bottom R.H.
17WPW10329686 Whirlpool Door Cam Black
18WP486579 Whirlpool Air Conditioner Screw
19Hinge, Bottom (L.H.)
20Spacer, Hinge
21Filler, Wrapper (Platinum)
21Filler, Wrapper (Golden Harvest)
21Filler, Wrapper (White)
21Filler, Wrapper (Almond)
21Filler, Wrapper (Toast)
22Grille
23WP999367 Whirlpool Refrigerator Screw
24WP944224 Whirlpool Refrigerator Support
25Screw, 8-22 x 5/16 (4)
26Bumper, Grille
27WPL 989068
28W11624204 Whirlpool Screw
29Grommet
30Hinge, Top (L.H.)
31Tap Plate
32Cabinet Harnes
33WP250830 Whirlpool Refrigerator Screw
34Clamp
35WP489478 Whirlpool Refrigerator Screw
35SCREW
36Cover, Wiring
37Wiring Shield, Short
38Wiring Shield, Long
39Tube Clamp (2)
40Cord, Service
41Drain Ferrule
42WP1108438 Whirlpool Refrigerator Extension
43WP1108439 Whirlpool Refrigerator Clip
44Screw, 8-15 x 3/8
45Cover, Plug
46Sealing Gasket
47WPL 1110664
49Hinge Cover (Toast)
491119787 Whirlpool Refrigerator Hinge Cover
49Hinge Cover (Golden Harvest)
51Insulation
52549193 Whirlpool Refrigerator Power Clamp
53Clip, Wire (2)
54WP2187501 Whirlpool Refrigerator Wire Harness
55Screw (Repair)
56Clamp, Water Line (2)