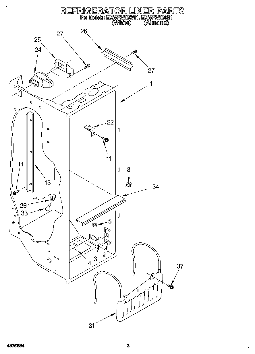
ED25PWXBW01 02 – REFRIGERATOR LINERadmin2025-04-26T09:51:53+00:00ED25PWXBW01 02 – REFRIGERATOR LINER ProductsPositionProduct1Liner (Not A Serviceable Part)2Escutcheon, Meat Pan Control3Slide, Meat Pan Control4Pad, Foam52171846 Whirlpool Refrigerator Release Valve84388538 Whirlpool Refrigerator Stud Shelf Kit (White)11WP488488 Whirlpool Refrigerator Screw13Shelf Ladder14WP488729 Whirlpool Refrigerator Door Screw22WP2256085 Whirlpool Refrigerator Retainer24WPW10151374 Whirlpool Refrigerator Diffuser252152019 Whirlpool Refrigerator Cover262150331 Whirlpool Refrigerator Wire Cover27W10759522 Whirlpool Screw294387478 Whirlpool Refrigerator Light Socket31WP2256126 Whirlpool Refrigerator Reservoir33RANGE ONLY 40W 120V APPL BULB34Light Lens37Screw (2)