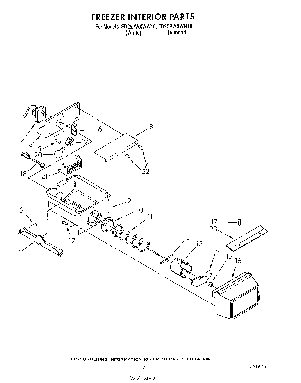
ED25PWXWW10 06 – FREEZER INTERIORadmin2025-04-26T09:52:30+00:00ED25PWXWW10 06 – FREEZER INTERIOR ProductsPositionProduct1W10845585 Whirlpool Refrigerator Track1W10845583 Whirlpool Refrigerator Track2718257 Whirlpool Dishwasher Screw3Bracket, Ice Dispenser4Motor5303776 Whirlpool Dishwasher Screw6COUPLING AUGER MOTOR7WP489478 Whirlpool Refrigerator Screw8Cover, Motor9WPW10670845 Whirlpool Refrigerator Ice Container10W10749708 Whirlpool Refrigerator Coupling11Conveyor124388736 Whirlpool Refrigerator Ice Dispenser Bucket Bin Conveyor Auger Drum14Baffle15Nut, Bearing16Front Cover17WP488787 Whirlpool Refrigerator Screw18Wiring Assembly, Ice Dispenser194387478 Whirlpool Refrigerator Light Socket20RANGE ONLY 40W 120V APPL BULB21Lens, Dispenser Light22WP489128 Whirlpool Refrigerator Screw23Deflector, Ice Container