ED27DQXWN10 10 – UNIT

ED27DQXWN10 10 – UNIT

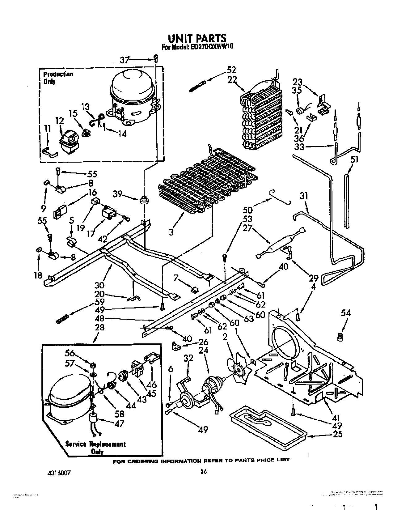
Products

PositionProduct
1WP486692 Whirlpool Refrigerator Nut
2Fan, Blade
3Condenser Assembly
4Screw, 8-32 x 1/2
5Clip, Wire (2)
6681390 Whirlpool Refrigerator Screw
7Clip, Tube (3)
8Clamp Tube
9Dampener (2)
11case spring
12Case, Relay
13Overload
14Spring, Overload
15Relay
16Housing Plug
17WPW10662129 Whirlpool Refrigerator Run Capacitor
18WP2158826 Whirlpool Refrigerator Dampener
19Screw Grommet
20Clip (2)
21SCREW
21WP489478 Whirlpool Refrigerator Screw
22Evaporator
23Clamp (4)
24833697 Whirlpool Condenser Fan Motor
25Tray, Evaporator
26Receptacle, Housing
27W10843121 Whirlpool Refrigerator Tube
28Compressor (Includes Items 43, 44, 45, 46, 47, 56, 57 & 58) (Also Order)
29Clamp, Dryer
302304904 Whirlpool Frame Assembly
31Exchanger, Heat
32Bracket, Motor
33Heater, Defrost
35WP4387499 Whirlpool Refrigerator Bimetallic Defrost
36Clamp
39876811 Whirlpool Grommet
40489340 Whirlpool Refrigerator Screw
41Air Baffle
42W11693756 Whirlpool Screw Assembly
43WP2262181 Whirlpool Refrigerator Start Relay
44Overload
45Cover, Terminal
46Strap
47Capacitor
482305374 Whirlpool Refrigerator Unit Rail
49Screw, 8 x 3/8
50Guard, Fan
51WP2002171 Whirlpool Refrigerator Sleeve
52Strap
53Screw, 1/4-28 x 1/2 (2)
54Wire Connector
55WPW10141625 Whirlpool Refrigerator Screw Assembly
56Nut
57Washer
58Overload Spring
59Spring-Tube
60WP245183 Whirlpool Nut
614387491 Whirlpool Refrigerator Insert
62``O`` Ring Seal (4)
63WP978025 Whirlpool Refrigerator Valve
63978030 Whirlpool Refrigerator Valve
63876764 Whirlpool Refrigerator Primary Valve
63978026 Whirlpool Refrigerator Primary Valve
63VALVE, ACCESS (1/2``)
63WP4211117 Whirlpool Refrigerator Connector
63VALVE, ACCESS (5/8``)
63978027 Whirlpool Refrigerator Primary Valve