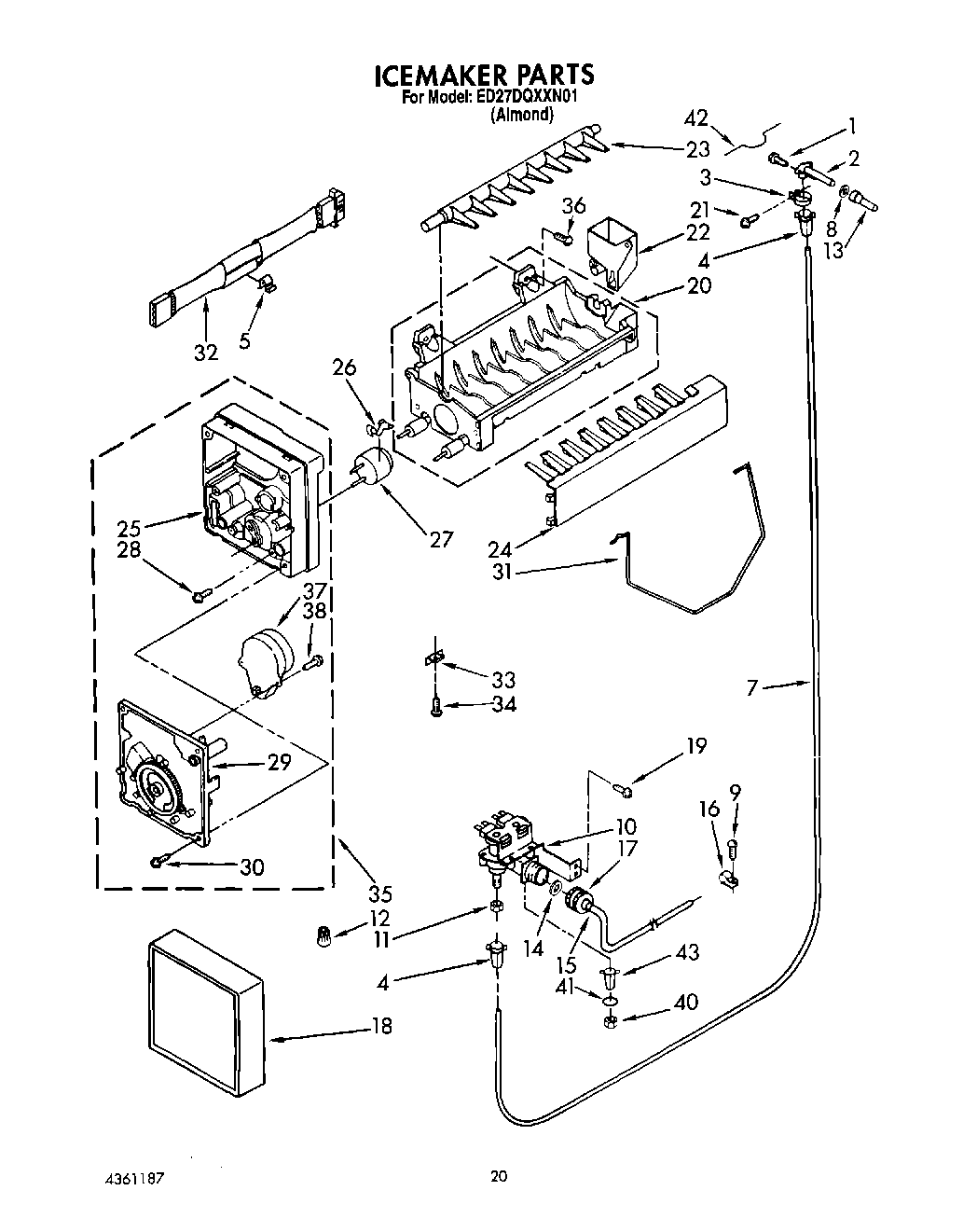
ED27DQXXN01 13 – ICEMAKER, LIT/OPTIONALadmin2025-04-26T09:44:02+00:00ED27DQXXN01 13 – ICEMAKER, LIT/OPTIONAL ProductsPositionProductTorx KeyWPL LIT628107WPL LIT4361187WPL LIT2148971WPL LIT1127439WPL LIT21548972WP2196157 Whirlpool Fill Tube3WP488878 Whirlpool Refrigerator Tube Clamp44387491 Whirlpool Refrigerator Insert5WP628379 Whirlpool Refrigerator Clip7W10823511 Whirlpool Refrigerator Water Tube8WP1106508 Whirlpool Refrigerator Gasket104318046 Whirlpool Dual Water Inlet Valve11WP627018 Whirlpool Refrigerator Nut12Wire Connector13Tube, Water Inlet14Washer15Tube, Inlet Valve16Clamp Tube17Nut, Valve18Cover19WPW10141625 Whirlpool Refrigerator Screw Assembly20WPW10190929 Whirlpool Refrigerator Ice Maker Mold21WP488787 Whirlpool Refrigerator Screw22WP628356 Whirlpool Refrigerator Fill Cup23WP627843 Whirlpool Refrigerator Ejector Arm24WP2182124 Whirlpool Refrigerator Stripper Arm25WP2195914 Whirlpool Refrigerator Ice Maker Housing26WP2315522 Whirlpool Refrigerator Clip27WP627985 Whirlpool Icemaker Cycling Thermostat288533917 Whirlpool Refrigerator Screw30WP681249 Whirlpool Screw Assembly31W11342242 Whirlpool Refrigerator Ice Level Arm32WP2187464 Whirlpool Refrigerator Wire Harness33W11500948 Whirlpool Refrigerator Bracket34Screw, 8-32 x 27/6436WP488163 Whirlpool Refrigerator Screw37W10190935 Whirlpool Refrigerator Icemaker Motor Module Assembly38489136 Whirlpool Refrigerator Screw40Nut, Compression41``O`` Ring Seal (4)42Clip4372017 Whirlpool Appliance Touch-Up Paint White43Transformer (115-230 Volt)43799344 Whirlpool Refrigerator Paint43WP72107 Whirlpool Touchup43350930 Whirlpool White Spray Paint43Leveler (Thinner)43Enamel, Black (1 Qt. Uncut)43Insert, Tube43Almond (Uncut)43212643 Whirlpool Refrigerator Permagum Sealer43TAPE, VINYL (3/4 X 108``)43CEMENT, ALUMILASTIC (1 1/4 OZ.)43WP505587 Whirlpool Refrigerator Sealer43WPL 79983343WPL 87602943WP503695 Whirlpool Refrigerator Sealer43876370 Whirlpool Refrigerator Insulation43606755 Whirlpool Refrigerator Bag43833938 Whirlpool Refrigerator Terminal43511873 Whirlpool Refrigerator Paint43285006 Whirlpool Spray4372032 Whirlpool Touch Up Paint Black43350942 Whirlpool Spray Paint43WP542638 Whirlpool Refrigerator Grease43350956 Whirlpool Spray Assembly