ED27DQXXN02 13 – ICE MAKER, LIT/OPTIONAL

ED27DQXXN02 13 – ICE MAKER, LIT/OPTIONAL

Products

PositionProduct
Torx Key
Modular Icemaker Service Sheet
WPL LIT1127439
WPL LIT2148971
WPL LIT2154993
WPL LIT4361302
2WP2196157 Whirlpool Fill Tube
3WP488878 Whirlpool Refrigerator Tube Clamp
44387491 Whirlpool Refrigerator Insert
5WP628379 Whirlpool Refrigerator Clip
7W10823511 Whirlpool Refrigerator Water Tube
8WP1106508 Whirlpool Refrigerator Gasket
104318046 Whirlpool Dual Water Inlet Valve
11WP627018 Whirlpool Refrigerator Nut
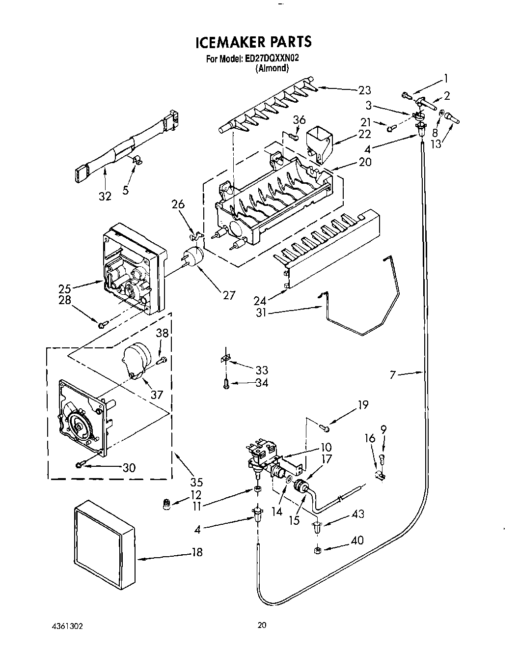
12Wire Connector
13Tube, Water Inlet
14Washer
15Tube, Inlet Valve
16Clamp Tube
17Nut, Valve
18Cover
19WPW10141625 Whirlpool Refrigerator Screw Assembly
20WPW10190929 Whirlpool Refrigerator Ice Maker Mold
21WP488787 Whirlpool Refrigerator Screw
22WP628356 Whirlpool Refrigerator Fill Cup
23WP627843 Whirlpool Refrigerator Ejector Arm
24WP2182124 Whirlpool Refrigerator Stripper Arm
25WP2195914 Whirlpool Refrigerator Ice Maker Housing
26WP2315522 Whirlpool Refrigerator Clip
27WP627985 Whirlpool Icemaker Cycling Thermostat
288533917 Whirlpool Refrigerator Screw
30WP681249 Whirlpool Screw Assembly
31W11342242 Whirlpool Refrigerator Ice Level Arm
32WP2187464 Whirlpool Refrigerator Wire Harness
33W11500948 Whirlpool Refrigerator Bracket
34Screw, 8-32 x 27/64
36WP488163 Whirlpool Refrigerator Screw
37W10190935 Whirlpool Refrigerator Icemaker Motor Module Assembly
38489136 Whirlpool Refrigerator Screw
40Nut, Compression
43350956 Whirlpool Spray Assembly
4372017 Whirlpool Appliance Touch-Up Paint White
43799344 Whirlpool Refrigerator Paint
43WP72107 Whirlpool Touchup
43Transformer (115-230 Volt)
43350930 Whirlpool White Spray Paint
43Insert, Tube
43Almond (Uncut)
43Leveler (Thinner)
43Enamel, Black (1 Qt. Uncut)
43212643 Whirlpool Refrigerator Permagum Sealer
43TAPE, VINYL (3/4 X 108``)
43CEMENT, ALUMILASTIC (1 1/4 OZ.)
43WP505587 Whirlpool Refrigerator Sealer
43WPL 799833
43WPL 876029
43WP503695 Whirlpool Refrigerator Sealer
43876370 Whirlpool Refrigerator Insulation
43606755 Whirlpool Refrigerator Bag
43833938 Whirlpool Refrigerator Terminal
43511873 Whirlpool Refrigerator Paint
43285006 Whirlpool Spray
4372032 Whirlpool Touch Up Paint Black
43350942 Whirlpool Spray Paint
43WP542638 Whirlpool Refrigerator Grease
43WPW10312300 Whirlpool Refrigerator Ice Container