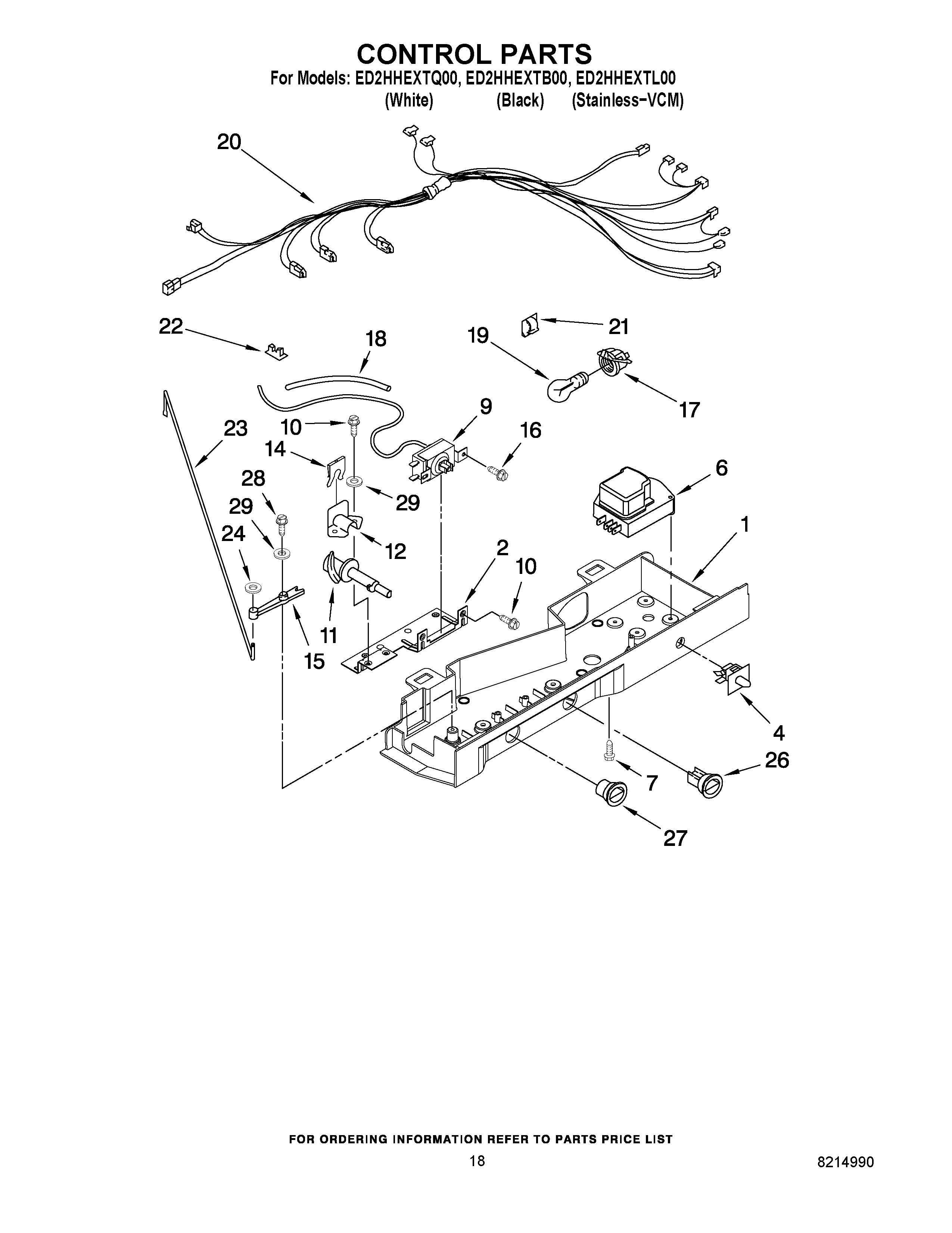
ED2HHEXTQ00 11 – CONTROL PARTSadmin2025-04-26T11:04:56+00:00ED2HHEXTQ00 11 – CONTROL PARTS ProductsPositionProduct1Control Box22311611 Whirlpool Refrigerator Bracket4WP2149705 Whirlpool Refrigerator Door Switch64388932 Whirlpool Refrigerator Adaptive Defrost Timer Kit7489392 Whirlpool Refrigerator Screw9WP2198202 Whirlpool Refrigerator Temperature Thermostat10WP3196557 Whirlpool Screw11WP2182195 Whirlpool Refrigerator Cam121110560 Whirlpool Refrigerator Bearing14WP2196062 Whirlpool Refrigerator Clip15Pivot Arm16WP965173 Whirlpool Dishwasher Screw174387478 Whirlpool Refrigerator Light Socket18WP2196003 Whirlpool Refrigerator Bar Riser19RANGE ONLY 40W 120V APPL BULB202311633 Whirlpool Refrigerator Wire Harness21WP1115374 Whirlpool Refrigerator Clip22CLIP, WIRING232311631 Whirlpool Refrigerator Rod24Fastener, Push-On26W10723843 Whirlpool Refrigerator Thermostat Knob272311615 Whirlpool Refrigerator Knob28627068 Whirlpool Refrigerator Screw29489203 Whirlpool Refrigerator Washer