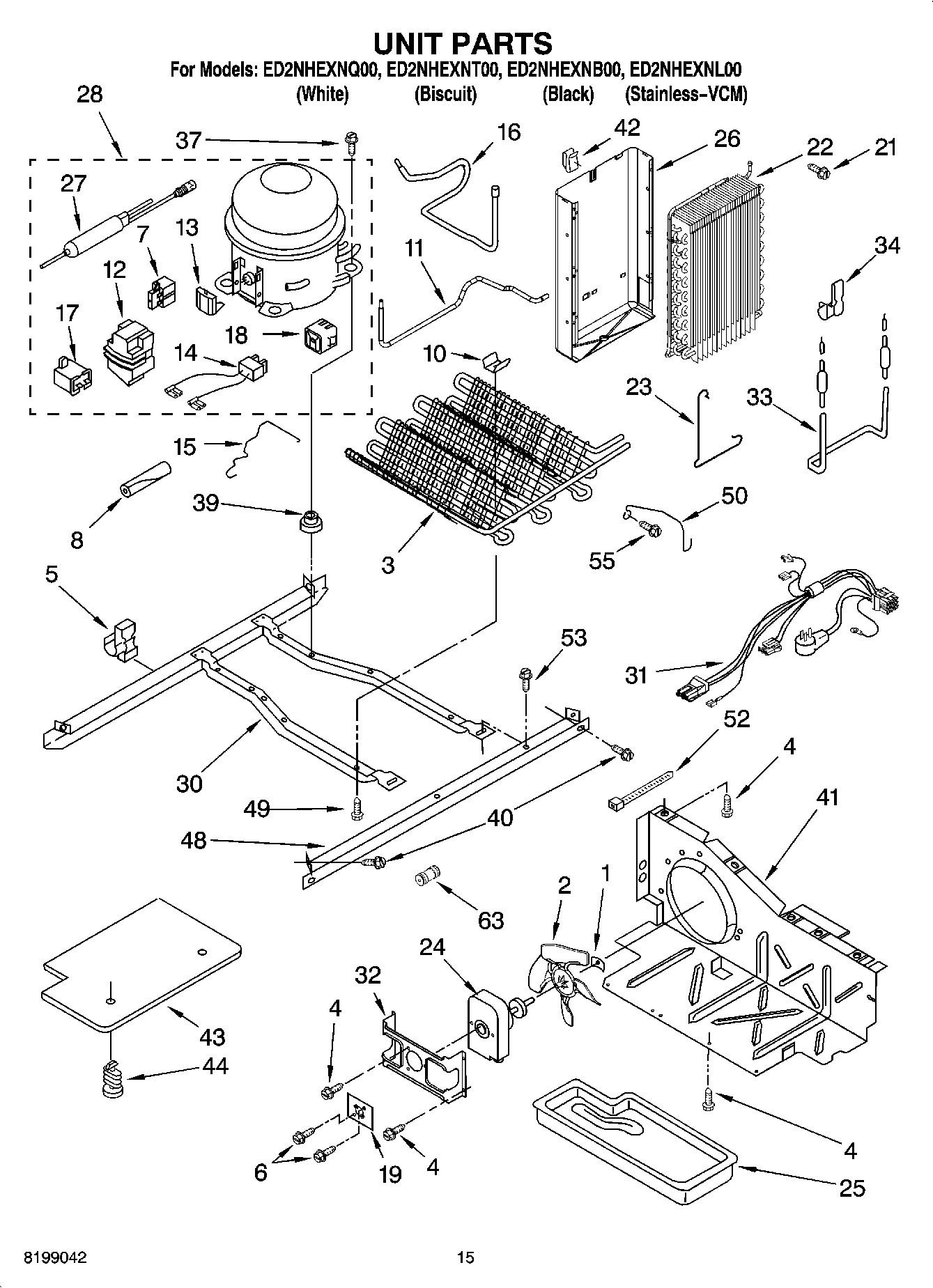
ED2NHEXNL00 09 – UNIT PARTSadmin2025-04-26T11:05:48+00:00ED2NHEXNL00 09 – UNIT PARTS ProductsPositionProduct1WP486692 Whirlpool Refrigerator Nut2W11458267 Whirlpool Refrigerator Fan Blade32324712 Whirlpool Refrigerator Condenser4WP489464 Whirlpool Refrigerator Screw5Clip, Wire & Tube68281160 Whirlpool Screw7W10920279 Whirlpool Refrigerator Start Relay8SLEEVE10W10683556 Whirlpool Refrigerator Clip112261599 Whirlpool Refrigerator Tube12WP2162358 Whirlpool Refrigerator Terminal Cover13WP2187145 Whirlpool Refrigerator Overload14WP2172890 Whirlpool Refrigerator Wire152223314 Whirlpool Refrigerator Clip162205764 Whirlpool Refrigerator Tube17WPW10662129 Whirlpool Refrigerator Run Capacitor188201786 Whirlpool Relay and Overload Start Kit19Insert, Bracket21WP489478 Whirlpool Refrigerator Screw22WP2188822 Whirlpool Refrigerator Evaporator23Clamp24W10124096 Whirlpool Refrigerator Condenser Fan Motor Kit with Blade25WPW10614158 Whirlpool Refrigerator Evaporator Tray26Heat Shield27W10843121 Whirlpool Refrigerator Tube28W10309990 Whirlpool Refrigerator Compressor302304903 Whirlpool Refrigerator Frame31WPW10309395 Whirlpool Refrigerator Wire Harness32WP2181929 Whirlpool Refrigerator Bracket33WP2323197 Whirlpool Refrigerator Heater34W11623163 Whirlpool Refrigerator Clip39WP4387558 Whirlpool Refrigerator Compressor Grommet39876811 Whirlpool Grommet40489340 Whirlpool Refrigerator Screw41W10896764 Whirlpool Refrigerator Air Baffle42Clip, Heat Shield43Unit Cover, Bottom44489396 Whirlpool Refrigerator Clip48Unit Mounting Rail49W11544659 Whirlpool Refrigerator Screw50Guard, Fan52WPW10339879 Whirlpool Wire Tie53WP489427 Whirlpool Refrigerator Screw55WPW10141625 Whirlpool Refrigerator Screw Assembly63FOLLOWING PARTS NOT ILLUSTRATED63VALVE, ACCESS (5/8``)63and63876764 Whirlpool Refrigerator Primary Valve63978026 Whirlpool Refrigerator Primary Valve63978027 Whirlpool Refrigerator Primary Valve63978030 Whirlpool Refrigerator Valve63WP978025 Whirlpool Refrigerator Valve63VALVE, ACCESS (1/2``)63WP4373559 Whirlpool Fitting63WPL ARI31540A3