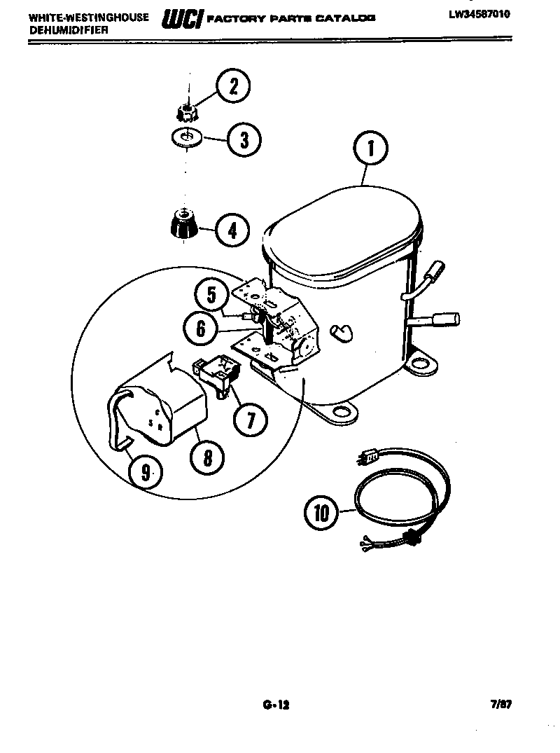
ED408K2 06 – COMPRESSOR PARTS