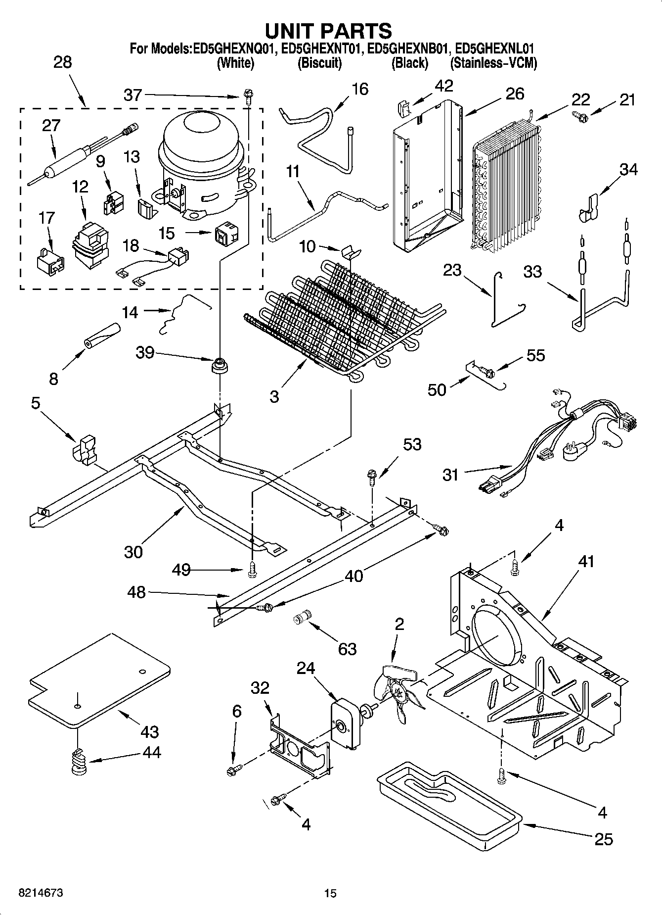
ED5GHEXNQ01 09 – UNIT PARTSadmin2025-04-26T10:35:44+00:00ED5GHEXNQ01 09 – UNIT PARTS ProductsPositionProduct2W11458267 Whirlpool Refrigerator Fan Blade32324712 Whirlpool Refrigerator Condenser4WP489464 Whirlpool Refrigerator Screw5Clip, Wire & Tube6WP8533993 Whirlpool Refrigerator Screw8SLEEVE9W10920279 Whirlpool Refrigerator Start Relay10W10683556 Whirlpool Refrigerator Clip112261599 Whirlpool Refrigerator Tube12WP2162358 Whirlpool Refrigerator Terminal Cover13WP2154697 Whirlpool Refrigerator Overload142223314 Whirlpool Refrigerator Clip158201786 Whirlpool Relay and Overload Start Kit16WP2205765 Whirlpool Refrigerator Tube17WPW10662129 Whirlpool Refrigerator Run Capacitor18WP2172890 Whirlpool Refrigerator Wire21WP489478 Whirlpool Refrigerator Screw22WP2188823 Whirlpool Refrigerator Evaporator23Clamp24W10124096 Whirlpool Refrigerator Condenser Fan Motor Kit with Blade25WPW10614158 Whirlpool Refrigerator Evaporator Tray26Heat Shield27W10843121 Whirlpool Refrigerator Tube28W10309994 Whirlpool Refrigerator Compressor302304904 Whirlpool Frame Assembly31Unit, Harness32WP2181929 Whirlpool Refrigerator Bracket33WP2323198 Whirlpool Refrigerator Heater34W11623163 Whirlpool Refrigerator Clip39876811 Whirlpool Grommet39WP4387558 Whirlpool Refrigerator Compressor Grommet40489340 Whirlpool Refrigerator Screw41W10896764 Whirlpool Refrigerator Air Baffle42Clip, Heat Shield43Unit Cover, Bottom44489396 Whirlpool Refrigerator Clip482305374 Whirlpool Refrigerator Unit Rail49W11544659 Whirlpool Refrigerator Screw50Guard, Fan53WP489427 Whirlpool Refrigerator Screw55WPW10141625 Whirlpool Refrigerator Screw Assembly63FOLLOWING PARTS NOT ILLUSTRATED63and Opt63876764 Whirlpool Refrigerator Primary Valve63VALVE, ACCESS (5/8``)63978027 Whirlpool Refrigerator Primary Valve63978030 Whirlpool Refrigerator Valve63WP4373559 Whirlpool Fitting63WP978025 Whirlpool Refrigerator Valve63VALVE, ACCESS (1/2``)63978026 Whirlpool Refrigerator Primary Valve63WPL ARI34715A2