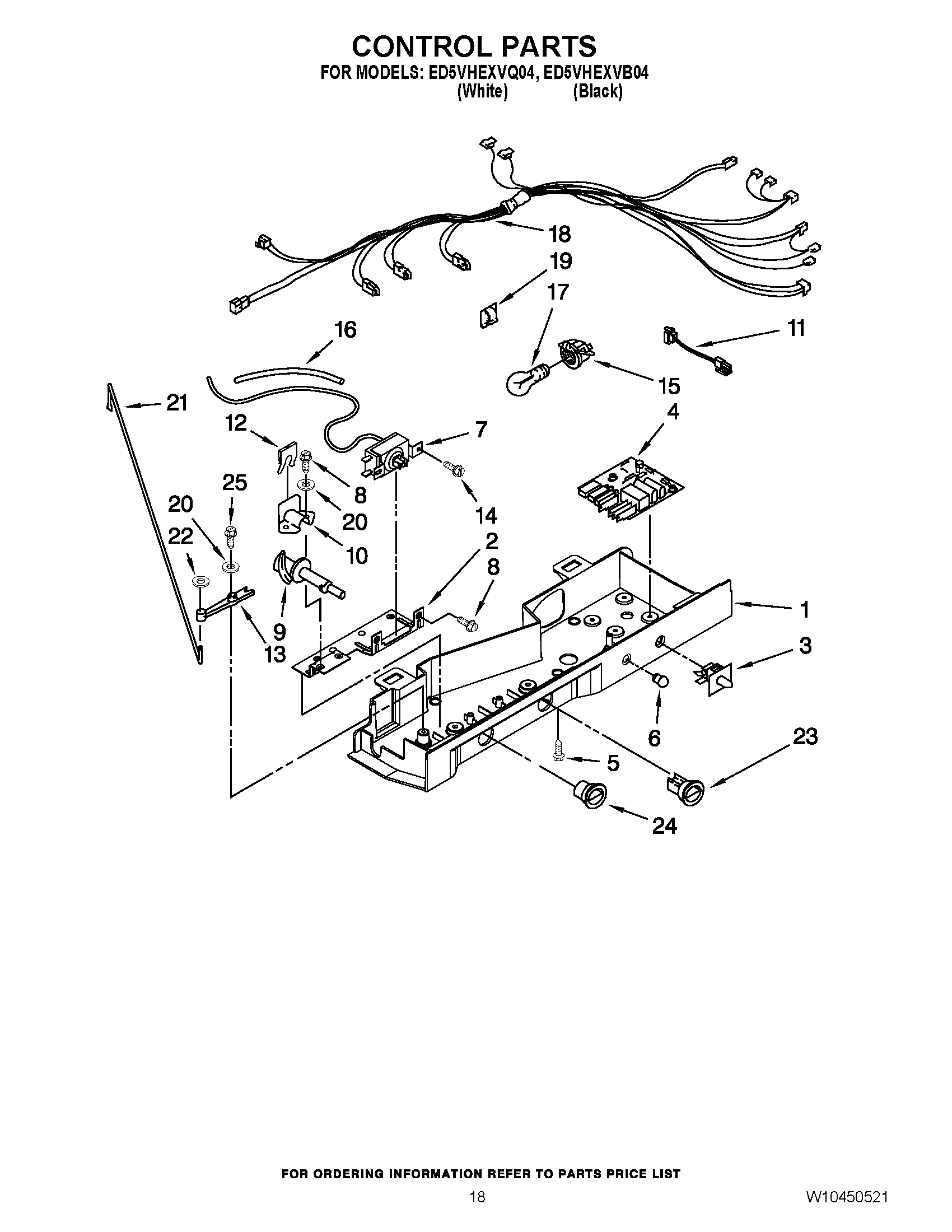
ED5VHEXVB04 11 – CONTROL PARTS