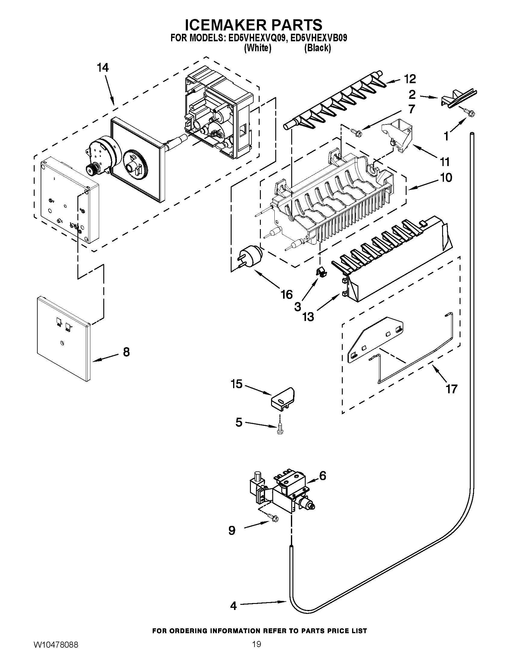
ED5VHEXVQ09 12 – ICEMAKER PARTSadmin2025-04-26T09:48:09+00:00ED5VHEXVQ09 12 – ICEMAKER PARTS ProductsPositionProduct2W11505385 Whirlpool Refrigerator Chute3WP628379 Whirlpool Refrigerator Clip4W10823511 Whirlpool Refrigerator Water Tube5WP489478 Whirlpool Refrigerator Screw6W10408179 Whirlpool Ice Maker Water Inlet Fill Valve Kit7W10141596 Whirlpool Screw Assembly8W10377174 Whirlpool Refrigerator Front Cover9WPW10141625 Whirlpool Refrigerator Screw Assembly10WPW10190929 Whirlpool Refrigerator Ice Maker Mold11WPW10372171 Whirlpool Cup Fill12WP627843 Whirlpool Refrigerator Ejector Arm13WPW10122563 Whirlpool Refrigerator Stripper Arm14WPW10281342 Whirlpool Refrigerator Motor Module15W11500948 Whirlpool Refrigerator Bracket16WP627985 Whirlpool Icemaker Cycling Thermostat17SHUT OFF ARM ASSY100ICEMAKER