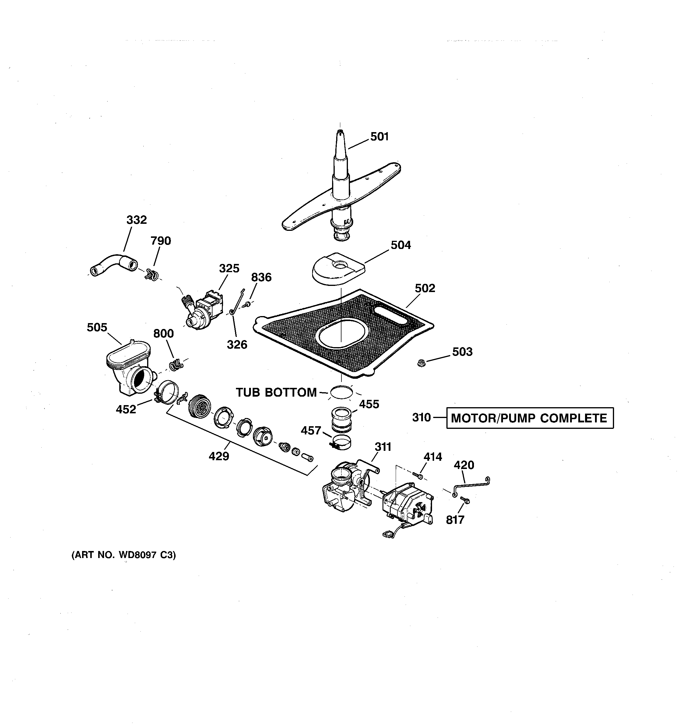
EDW2020F01BB MOTOR-PUMP MECHANISMadmin2025-04-26T08:35:04+00:00EDW2020F01BB MOTOR-PUMP MECHANISM ProductsPositionProduct310WD26X10013 GE Dishwasher Motor and Pump Assembly311GEN WD19X10022325GEN WD19X10015326GEN WD01X10024332GEN WD24X10006414WD2X444 GE Dishwasher Mechanical Screw420GEN WD01X1482429GEN WD19X10014452WD1X1392 GE Dishwasher Sump Clamp455WD18X214 GE Dishwasher Pump to Wash Arm Rubber Connector457WD1X1376 GE Dishwasher Clamp501WD22X10017 GE Dishwasher Lower Spray Arm502GEN WD22X10019503GEN WD01X10068504GEN WD22X10023505GEN WD18X0215790WH1X2036 GE UNIX Clamp790WD01X10065 GE Dishwasher Hose Clamp800GEN WD01X1497817WD1X550 GE Dishwasher Screw817WD02X10141 GE Dishwasher Screw 10-32 TT Hex836WH02X10002 GE Screw