| NI | 154691601 Frigidaire Dishwasher Cover |
| NI | 154733001 Frigidaire Dishwasher Seal |
| NI | WCI 7154679701 |
| NI | WCI 7154657201 |
| NI | WCI 7154623602 |
| NI | WCI 7154688801 |
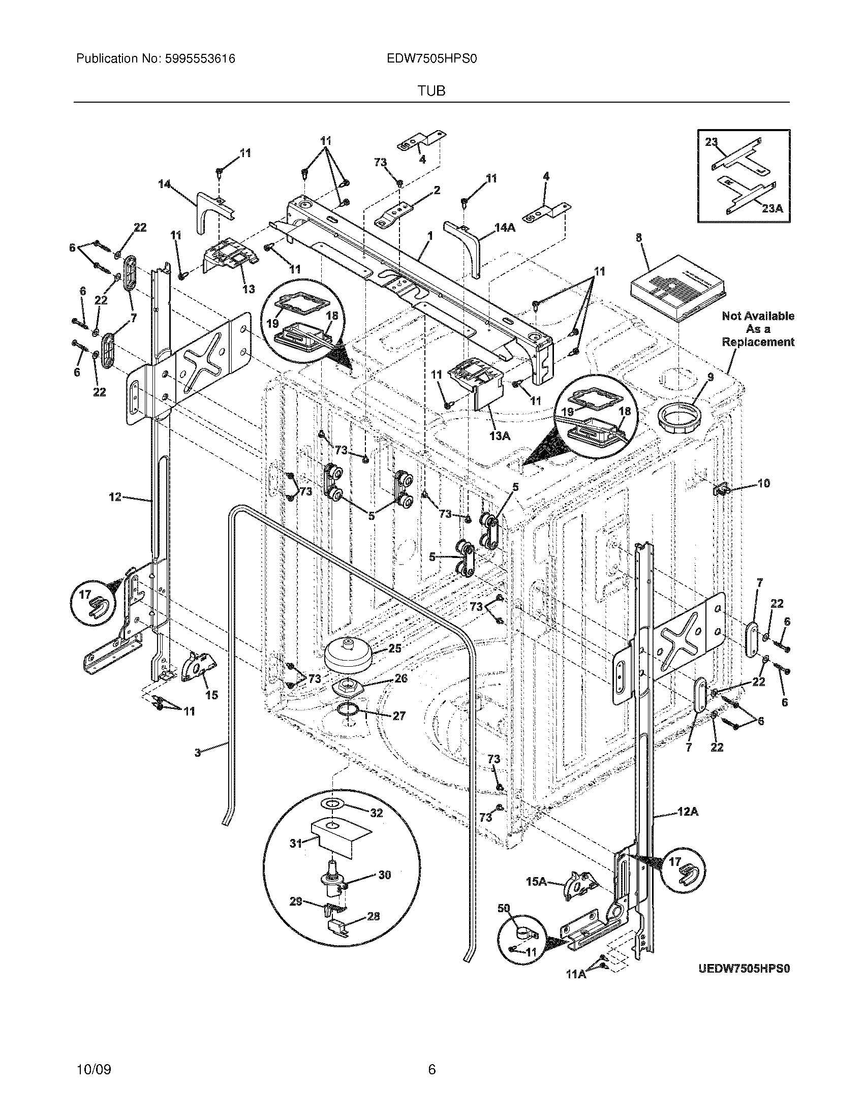
| 1 | WCI 7154500701 |
| 2 | WCI 7154511401 |
| 3 | WCI 7154513401 |
| 4 | WCI 7154657901 |
| 5 | WCI 7154510702 |
| 6 | WCI 7154719001 |
| 7 | WCI 7154510601 |
| 8 | WCI 7154773401 |
| 9 | 154622601 Frigidaire Dishwasher Bezel |
| 10 | WCI 7154633501 |
| 11A | 154200701 Frigidaire Dishwasher Screw |
| 11 | WCI 7154518301 |
| 12A | WCI 7154613001 |
| 12 | WCI 7154612901 |
| 13 | WCI 7154654401 |
| 13A | WCI 7154654501 |
| 14 | WCI 7154502901 |
| 14A | WCI 7154502001 |
| 15A | WCI 7154656901 |
| 15 | WCI 7154656801 |
| 17 | WCI 7154671501 |
| 18 | WCI 7154693801 |
| 19 | WCI 7154751501 |
| 22 | 5300809968 Frigidaire Dishwasher P-1 Washer |
| 23 | 154654601 Frigidaire Dishwasher Clip |
| 23A | WCI 7154654701 |
| 26 | 154506902 Frigidaire Dishwasher Nut |
| 27 | 154677201 Frigidaire Dishwasher Gasket |
| 28 | 154860901 Frigidaire Dishwasher Float Sensor |
| 30 | 154763901 Frigidaire Dishwasher Switch Assembly |
| 31 | WCI 7154657101 |
| 32 | 154506801 Frigidaire Dishwasher Washer |
| 50 | 154690101 Frigidaire Clamp |
| 73 | WCI 7154518401 |