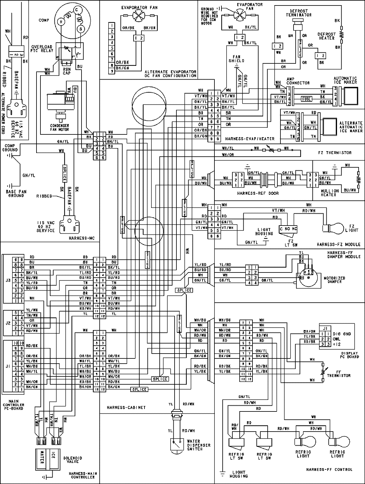
EF36BNDFSS 17 – WIRING INFORMATIONadmin2025-04-26T11:21:34+00:00EF36BNDFSS 17 – WIRING INFORMATION ProductsPositionProductNIMAY 15003912