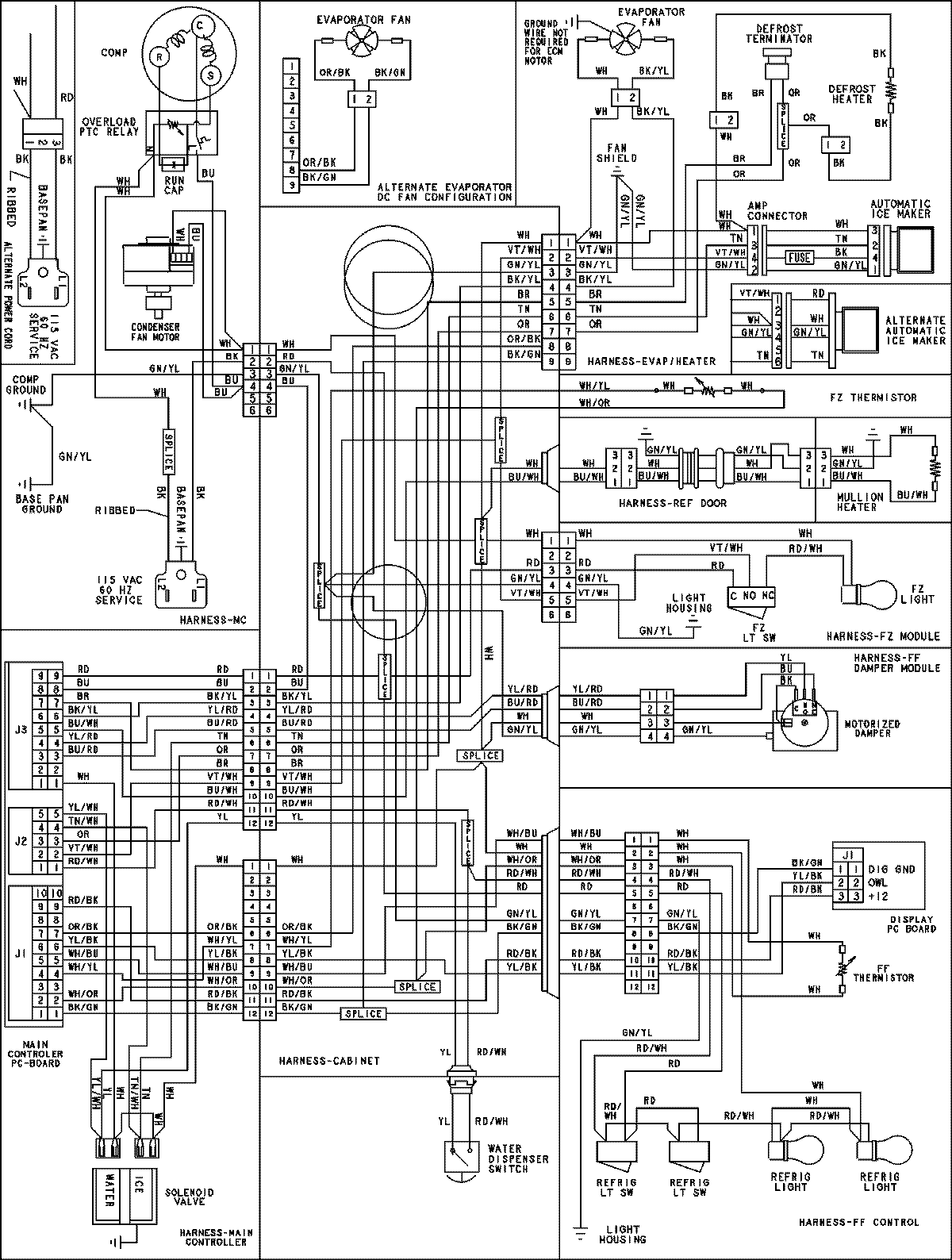
EF36LNDFSS 14 – WIRING INFORMATIONadmin2025-04-26T11:22:22+00:00EF36LNDFSS 14 – WIRING INFORMATION ProductsPositionProductNIMAY 15003912