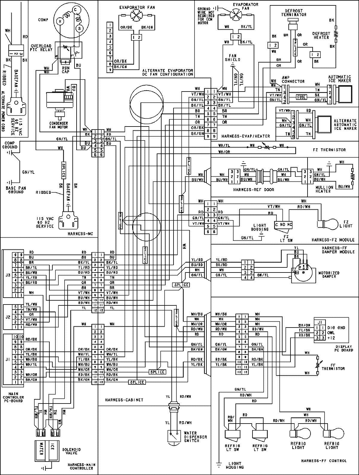
EF36RNDFSS 14 – WIRING INFORMATIONadmin2025-04-26T11:22:25+00:00EF36RNDFSS 14 – WIRING INFORMATION ProductsPositionProductNIMAY 15003912