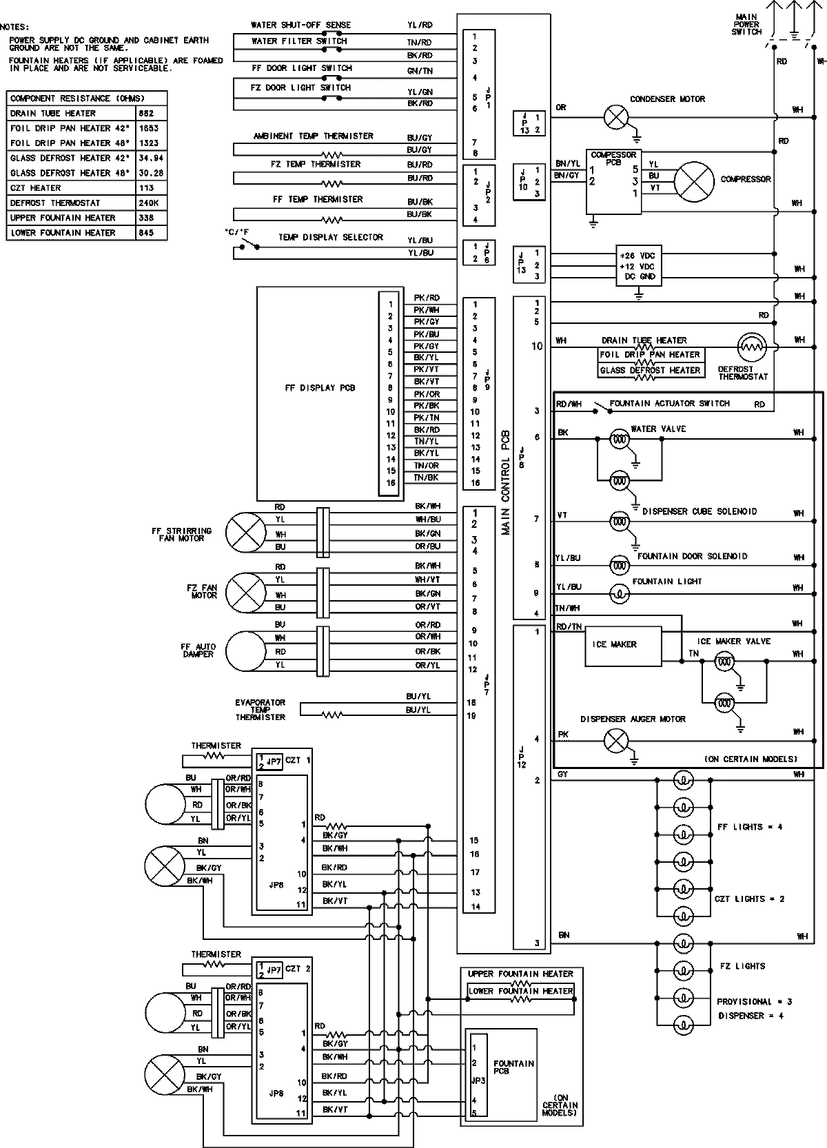
EF48BDCBSS 13 – WIRING INFORMATIONadmin2025-04-26T11:23:11+00:00EF48BDCBSS 13 – WIRING INFORMATION ProductsPositionProductNIMAY 15003859