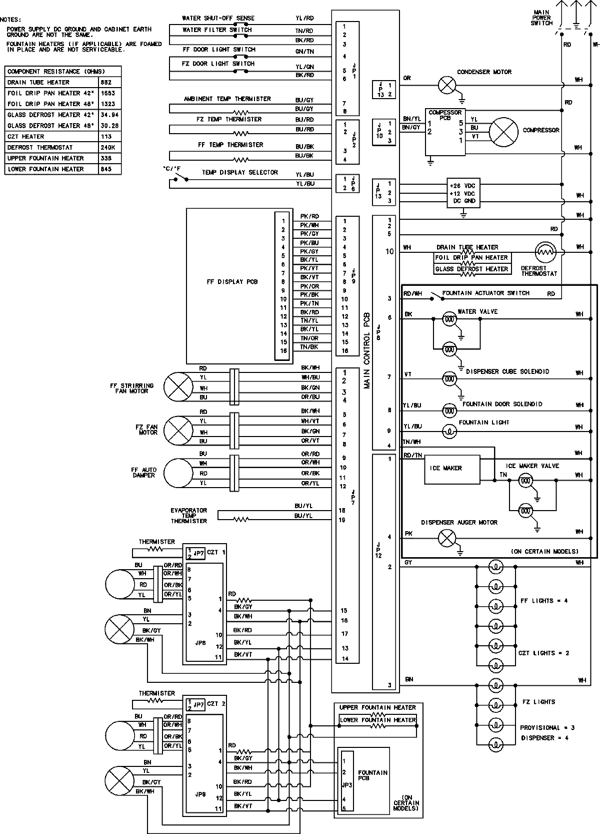
EF48BNDBSS 11 – WIRING INFORMATIONadmin2025-04-26T11:21:54+00:00EF48BNDBSS 11 – WIRING INFORMATION ProductsPositionProductNIMAY 15003859