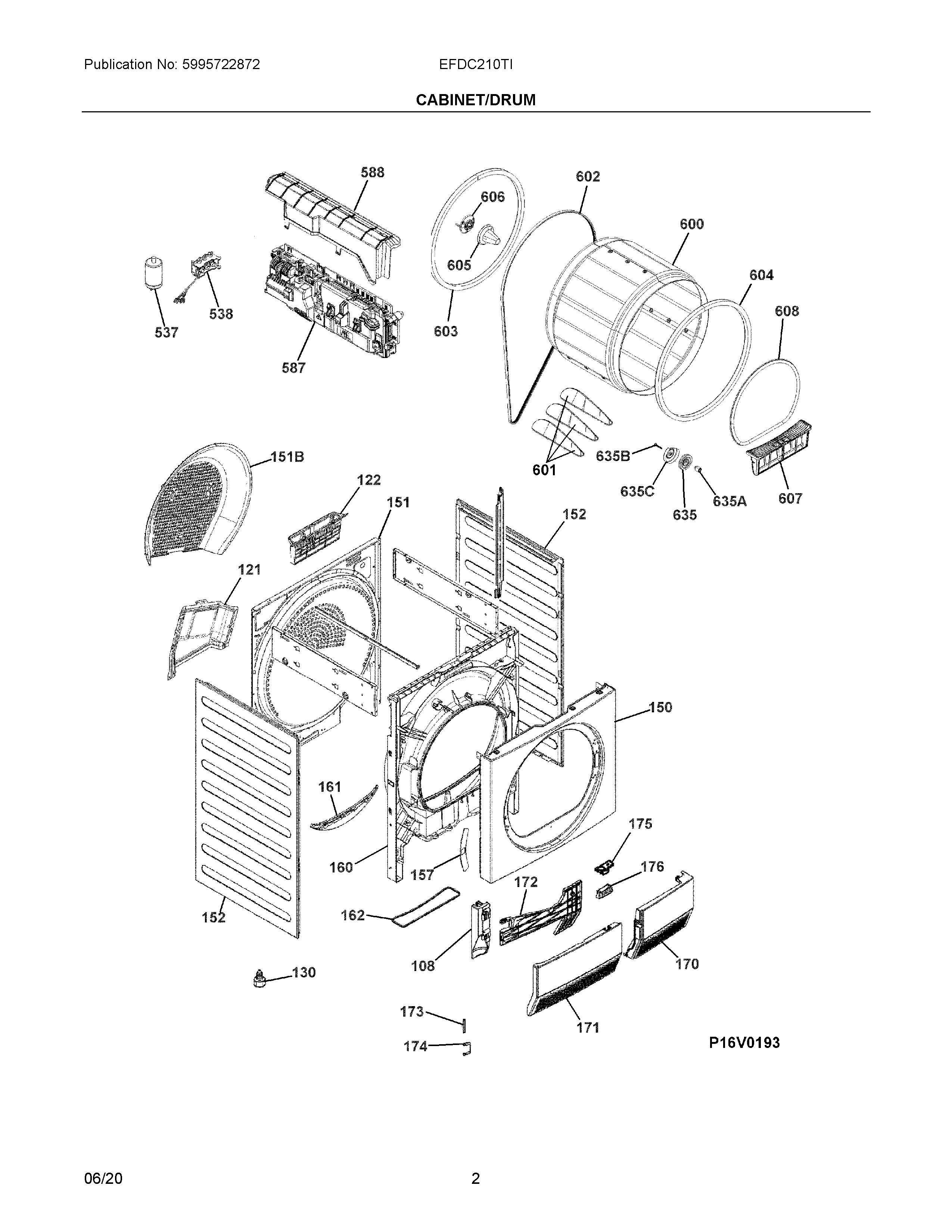
EFDC210TIS00 02 – CABINET/DRUM