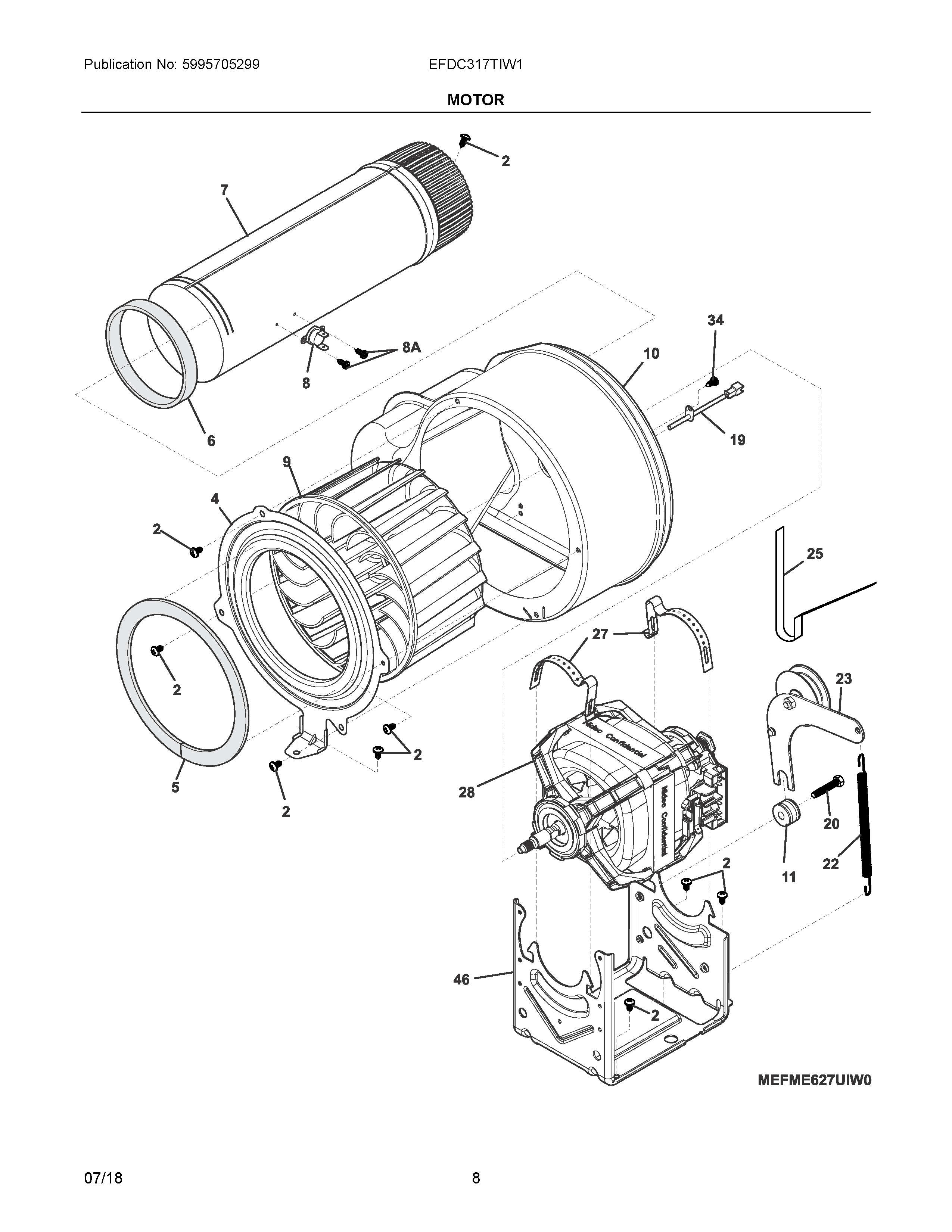
EFDC317TIW1 05 – MOTOR