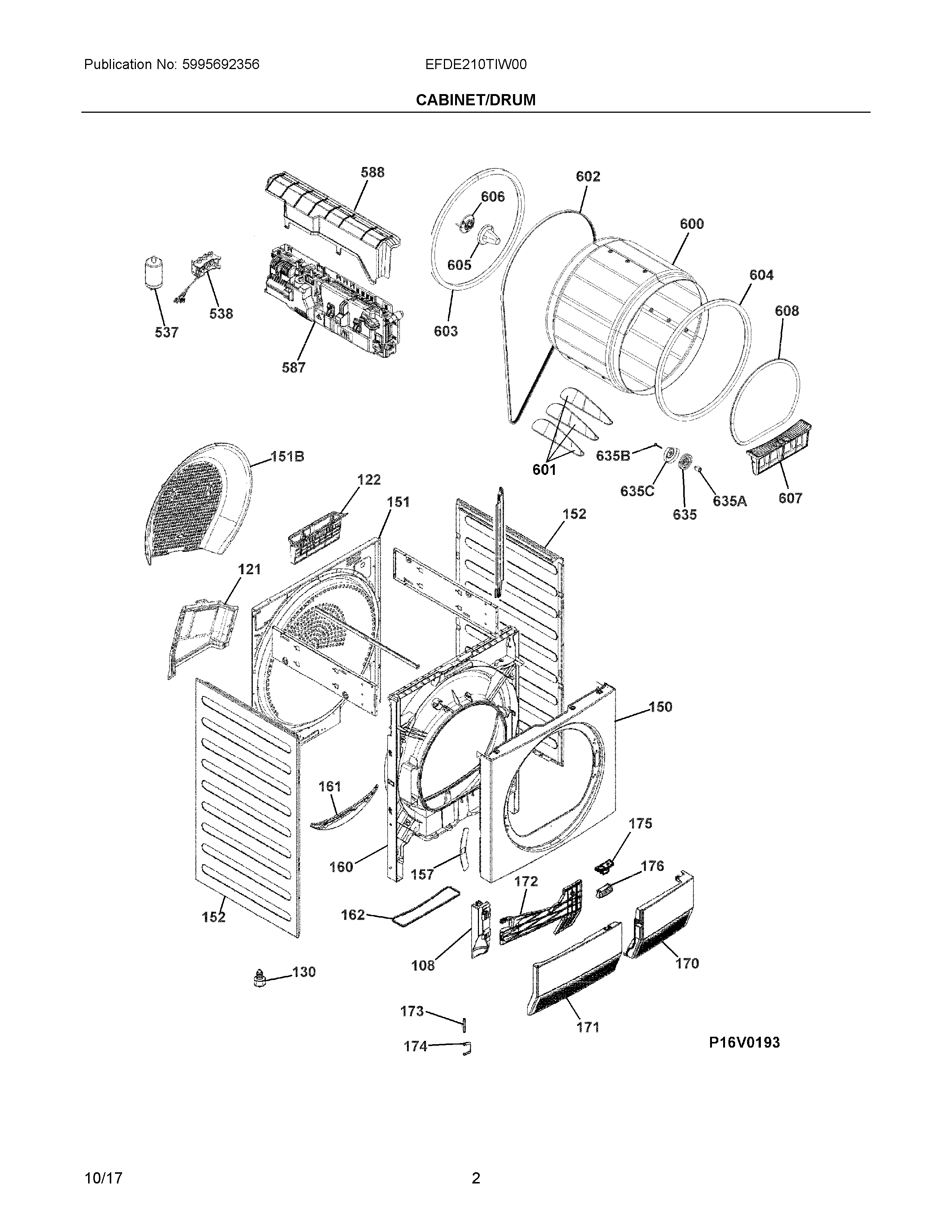
EFDE210TIW00 02 – CABINET/DRUMadmin2025-04-26T08:51:38+00:00EFDE210TIW00 02 – CABINET/DRUM
Products
| Position | Product |
|---|
| NI | 136608610 Frigidaire Felt |
| 108 | 136655202 Frigidaire Hinge |
| 121 | COVER, HEATING ELEMENT |
| 122 | 136602703 Frigidaire Grating |
| 130 | 899647060471 Frigidaire Leg |
| 150 | 136436000 Frigidaire PANEL |
| 151 | 136600571 Frigidaire PANEL |
| 151B | 136604000 Frigidaire BULKHEAD |
| 152 | 5304526177 Frigidaire Side Panel |
| 157 | 136608900 Frigidaire Cover Plate |
| 160 | DUCT, AIR, FRONT, LAMP |
| 161 | 136605801 Frigidaire Support |
| 162 | 136606100 Frigidaire Gasket |
| 170 | 136655101 Frigidaire Cover |
| 171 | DOOR, OUTER, WHITE, PLINTH |
| 172 | 136655501 Frigidaire Door |
| 173 | 112331110 Frigidaire Hinge Pin |
| 174 | 136608100 Frigidaire Spring |
| 175 | 136602401 Frigidaire Button |
| 176 | SUPPORT, BUTTON, DOOR |
| 537 | 808089303 Frigidaire Filter |
| 538 | A01517002 Frigidaire Terminal Block |
| 587 | 97391609828300 Frigidaire Board |
| 588 | COVER, MAIN BOARD, WHITESHARK |
| 600 | 136603050 Frigidaire Drum |
| 601 | VANE, DRUM, 298.3MM, GREY |
| 602 | 809183801 Frigidaire Belt |
| 603 | 136424300 Frigidaire Gasket |
| 604 | 136808930 Frigidaire Gasket |
| 605 | 136655401 Frigidaire Cone |
| 606 | 136623702 Frigidaire Cone |
| 607 | 136601901 Frigidaire Filter |
| 608 | GASKET,LG OPENING,FRONT |
| 635B | 124022201 Frigidaire Bolt |
| 635 | 807787702 Frigidaire Roller |
| 635C | 809166602 Frigidaire Cover |
| 635A | 125425004 Frigidaire Bushing |