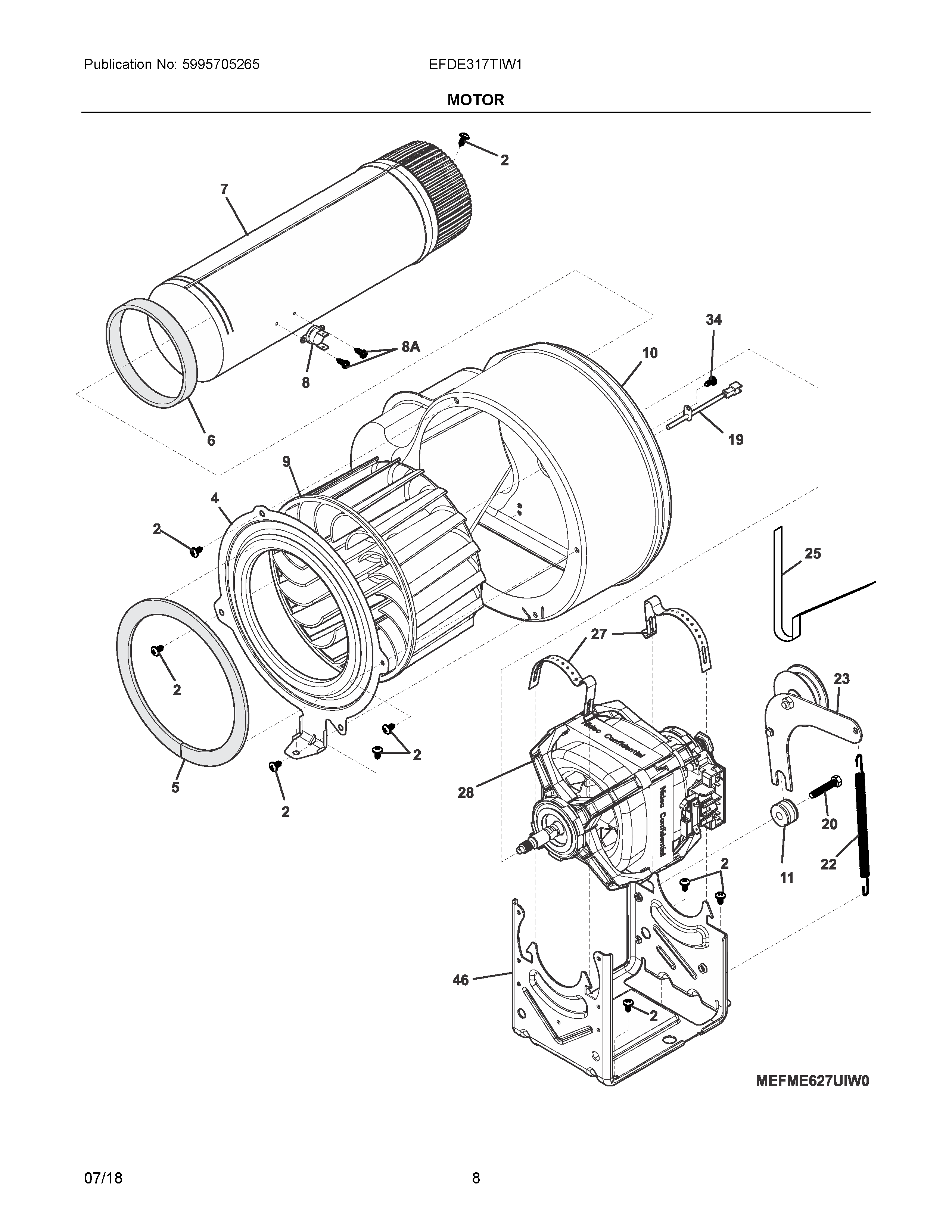
EFDE317TIW1 05 – MOTOR