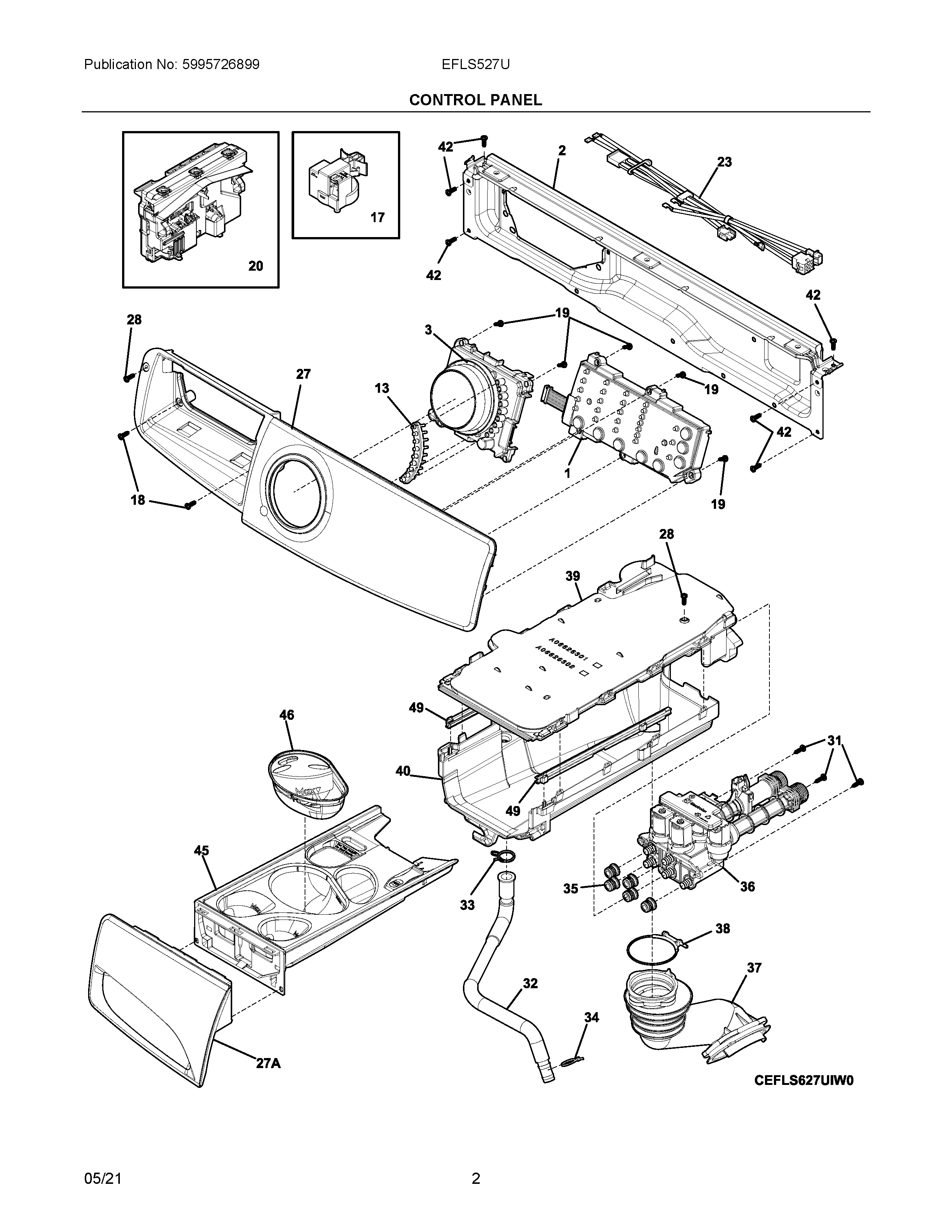
EFLS527UIW2 02 – CONTROL PANELadmin2025-04-26T08:51:19+00:00EFLS527UIW2 02 – CONTROL PANEL ProductsPositionProductNIA134629400 Frigidaire ScrewNIA134407900 Frigidaire Dampener15304529484 Frigidaire Board Assembly25304505086 Frigidaire Bracket35304528005 Frigidaire Knob Assembly13DIFFUSER, LIGHT17SENSOR SWITCH18131302800 Frigidaire Drum Vane Screw195304505441 Frigidaire Screw205304529483 Frigidaire Main Board235304522539 Frigidaire Harness27A5304515297 Frigidaire Handle Assembly275304515296 Frigidaire Console Assembly28131205100 Frigidaire Screw315304514820 Frigidaire Screw32134625500 Frigidaire Hose33134737300 Frigidaire Clamp345304528020 Frigidaire Cable Tie35134371300 DISPENSER TO VALVE GASKET365304528029 Frigidaire Valve Assembly Vortex with Flow Meter37134625700 Frigidaire Hose38134372400 Frigidaire Clamp395304514794 Frigidaire Washer Conveyor405304514782 Frigidaire Washer Housing42131168200 Frigidaire Dryer Screw455304514792 Frigidaire Drawer Dispenser465304514801 Frigidaire Cup Assembly495304514781 Frigidaire Slider Assembly