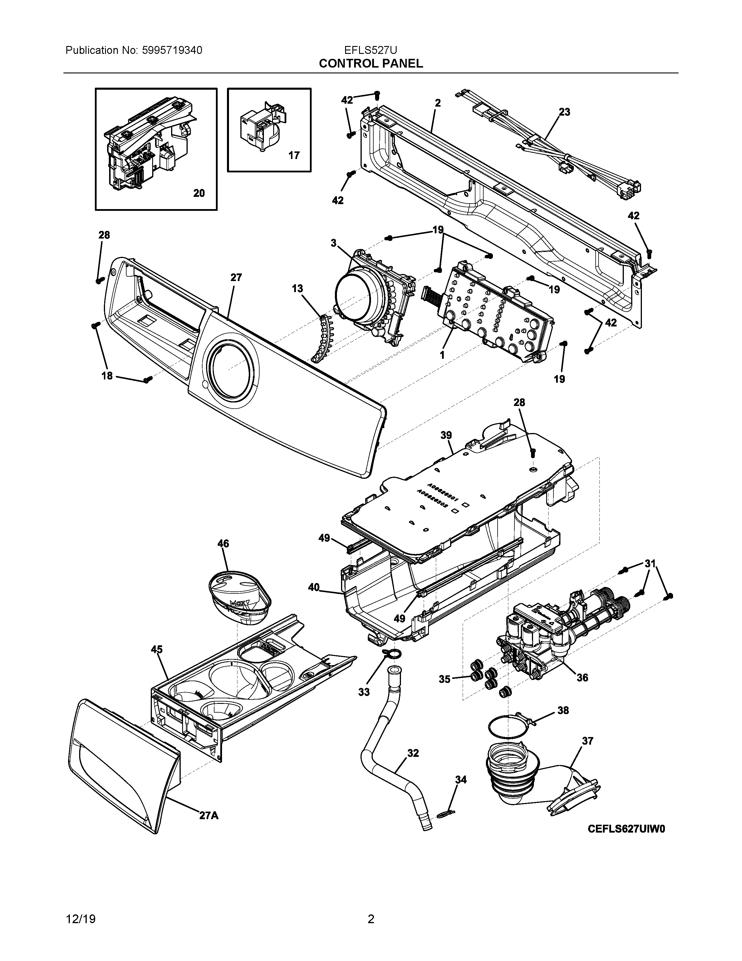
EFLS527UTT1 02 – CONTROL PANEL