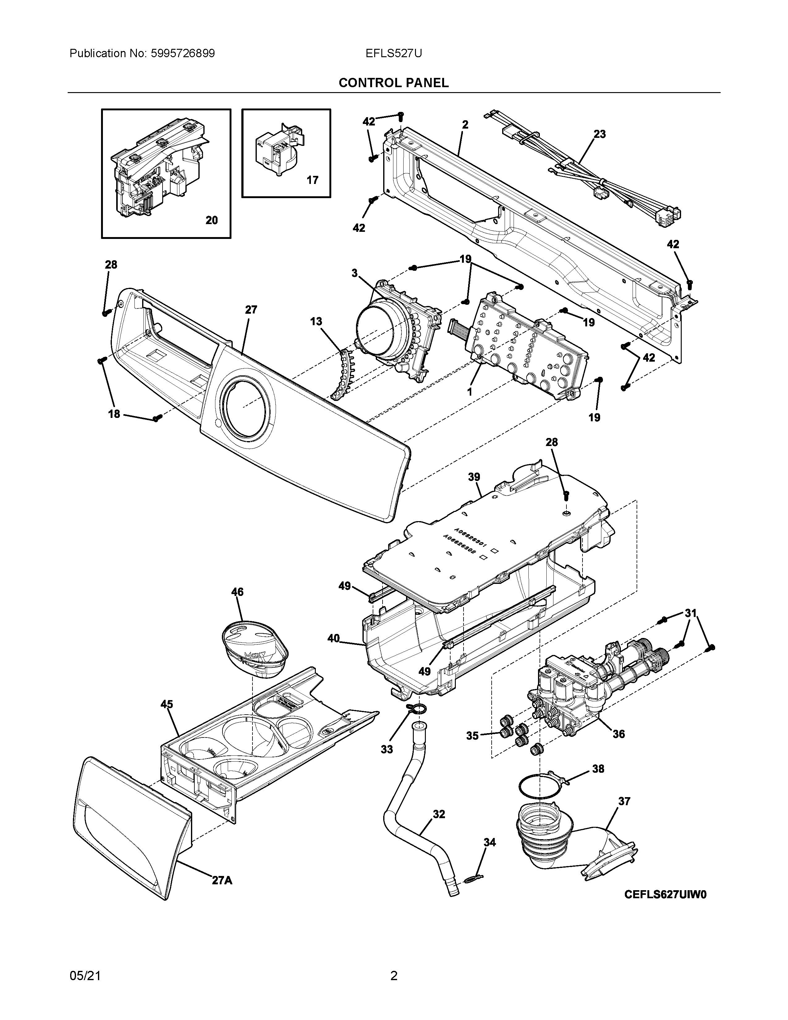
EFLS527UTT2 02 – CONTROL PANEL